Curiosii for ever!: Car repair manuals for everyone.

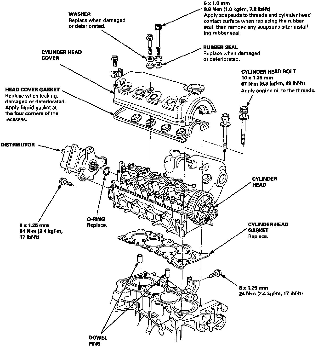
Cylinder Head Assembly








CAUTION:
- To avoid damage, wait until the engine coolant temperature drops below 100°F (38°C) before removing the cylinder head.
- When handling a metal gasket, take care not to fold it or damage the contact surface.

NOTE: Use new O-rings and gaskets when reassembling.