Curiosii for ever!: Car repair manuals for everyone.

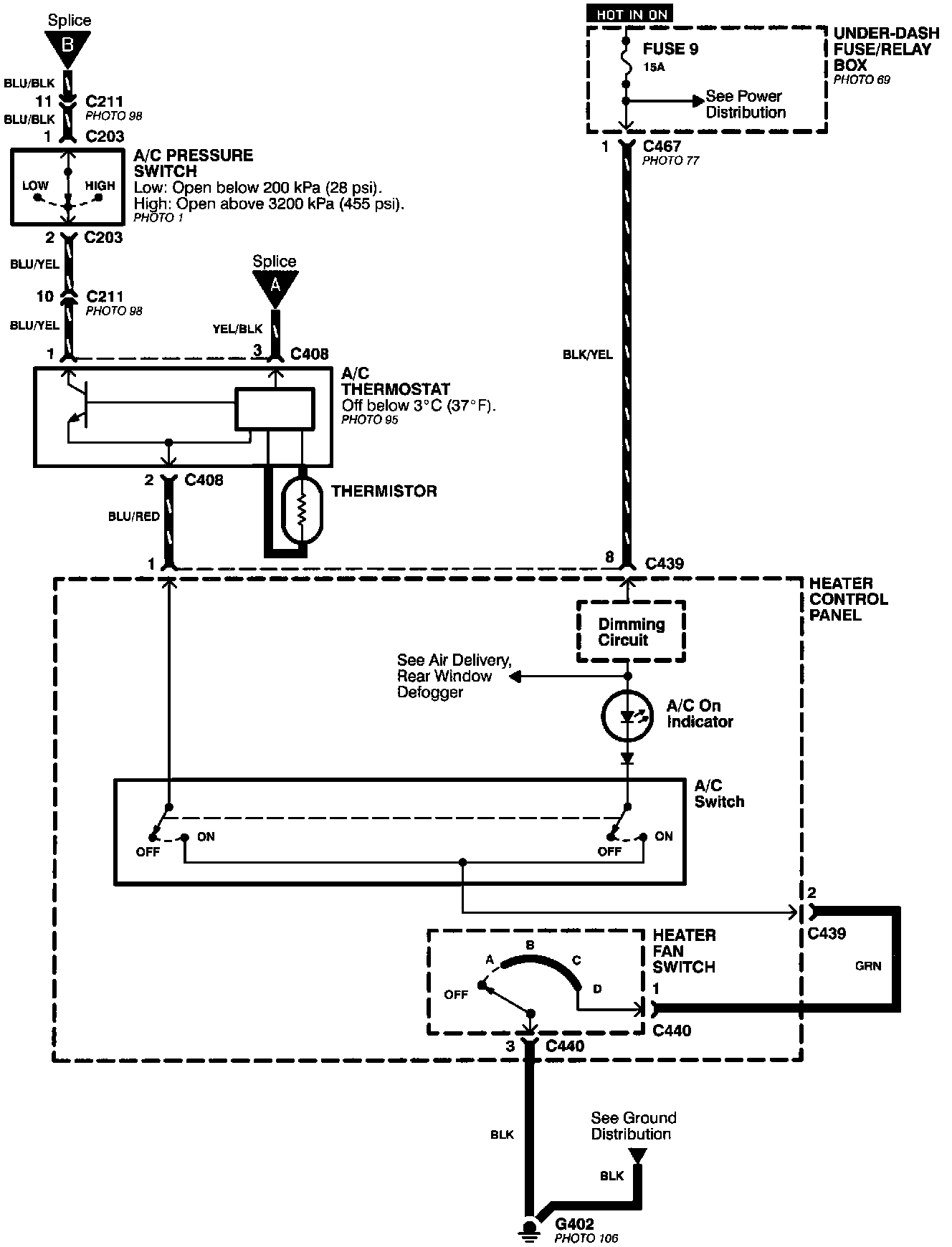
S Model Only

A/C Compressor Controls - S Only (Part 1 of 2):



A/C Compressor Controls - Si, SR, VTEC, SR-V (Part 1 of 2):



A/C Compressor Controls (Part 2 of 2):



Fans - Si, SR, VTEC, SR-V (Part 1 Of 3):



Fans - Si, SR, VTEC, SR-V (Part 2 Of 3):



Fans - S Models with A/C: