Curiosii for ever!
: Car repair manuals for everyone.
Home
>>
Honda
>>
1995
>>
Civic Sedan L4-1.5L SOHC (VTEC)
>>
Repair and Diagnosis
>>
Heating and Air Conditioning
>>
Diagrams
>>
Exploded Views
Exploded Views
AIR CONDITIONING SYSTEM
WIRING/CONNECTOR LOCATION
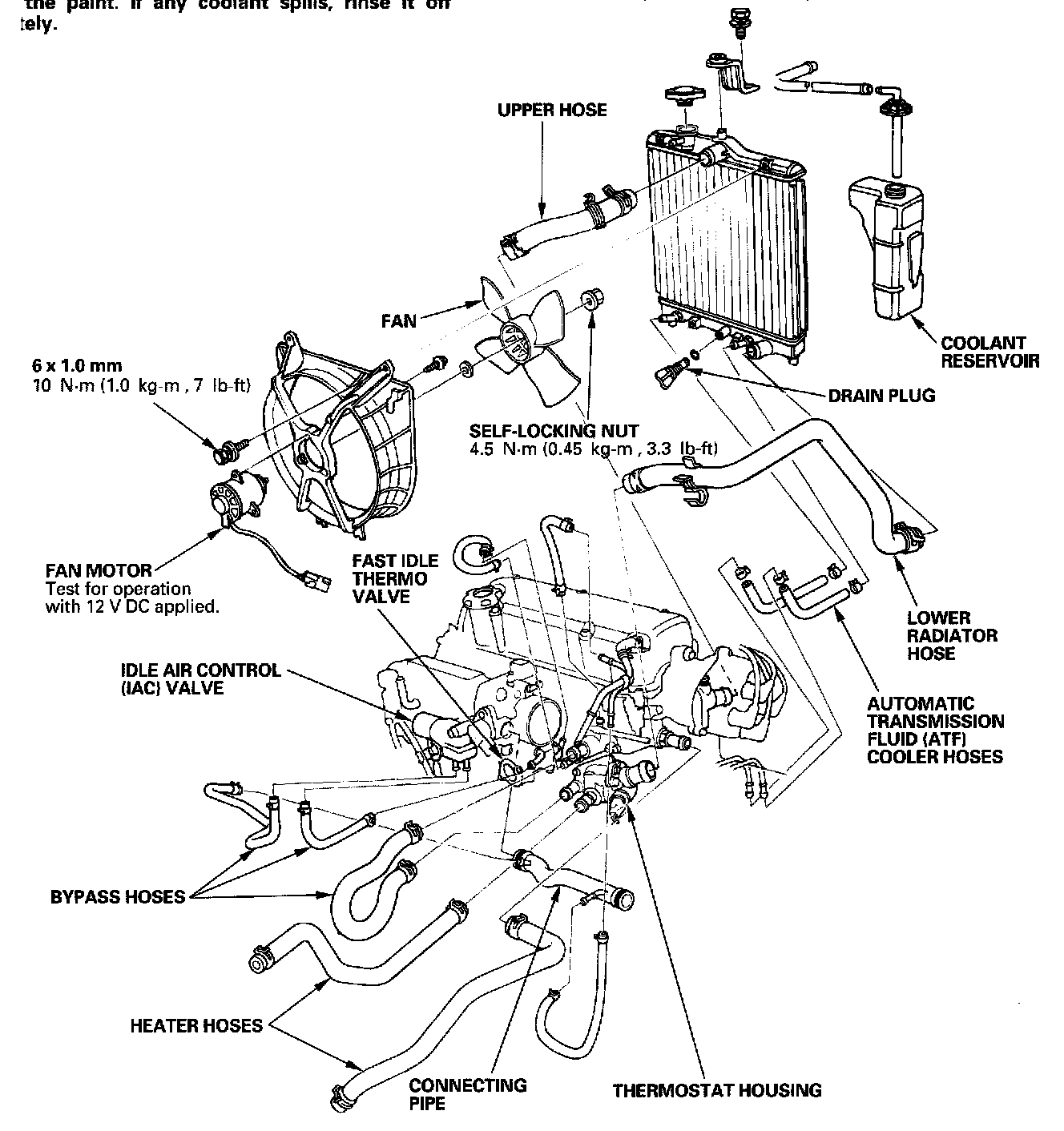
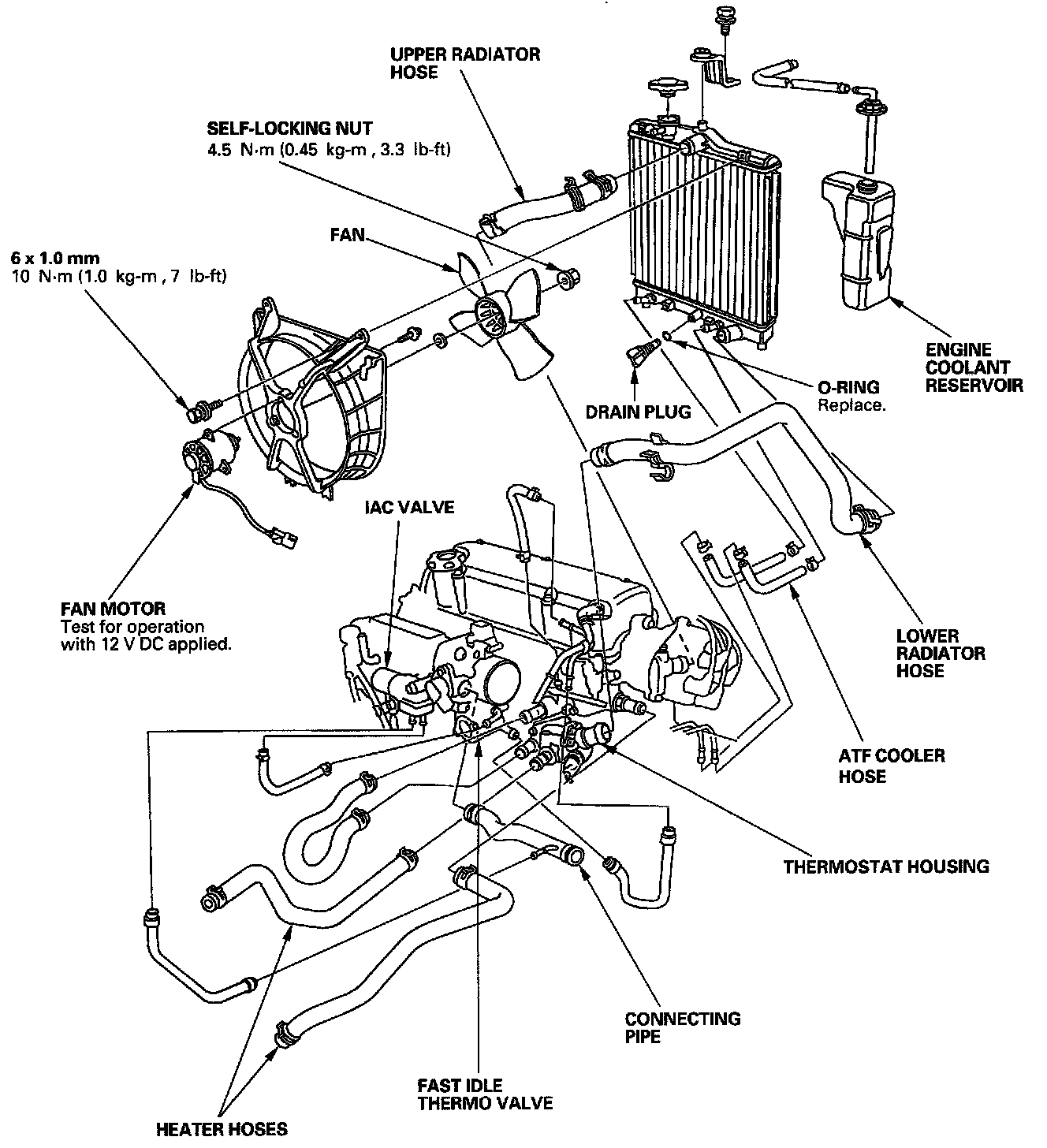
HEATER HOSE
ROUTING D15B7 M/T-A/T
HEATER HOSE
ROUTING D16Z6 M/T-A/T
HEATER HOSE
ROUTING D15Z1 M/T
HEATER HOSE
ROUTING D15B8 M/T