Curiosii for ever!
: Car repair manuals for everyone.
Home
>>
Honda
>>
1995
>>
Civic Coupe L4-1.5L SOHC (VTEC)
>>
Repair and Diagnosis
>>
Specifications
>>
Mechanical Specifications
>>
Engine
>>
System Specifications
>>
Torque Specifications
Torque Specifications
Intake:
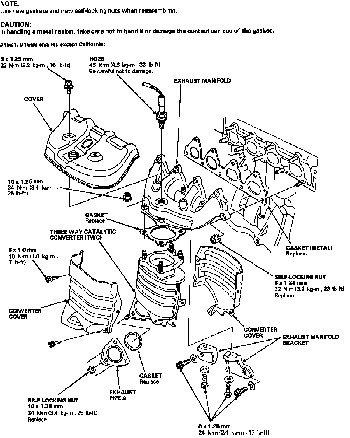
Exhaust Manifold (Except CA.):
Exhaust Manifold (CA.):
Cam Holder Torque/Sequence:
Head Bolt Torque Sequence:
Torque cylinder head attaching bolts in sequence in two steps; first to
22 ft. lbs.
, then to
53 ft lbs.
Timing Components:
Lower Engine:
Main Bolt Loosening Sequence:
Main Bolt Torque Tightening Sequence:
Flywheel (M/T) Torque:
Drive Plate (A/T) Torque: