Curiosii for ever!
: Car repair manuals for everyone.
Home
>>
Honda
>>
1995
>>
Accord Sedan V6-2.7L SOHC
>>
Repair and Diagnosis
>>
Diagrams
>>
Electrical Diagrams
>>
Automatic Transmission/Transaxle
>>
System Diagram
>>
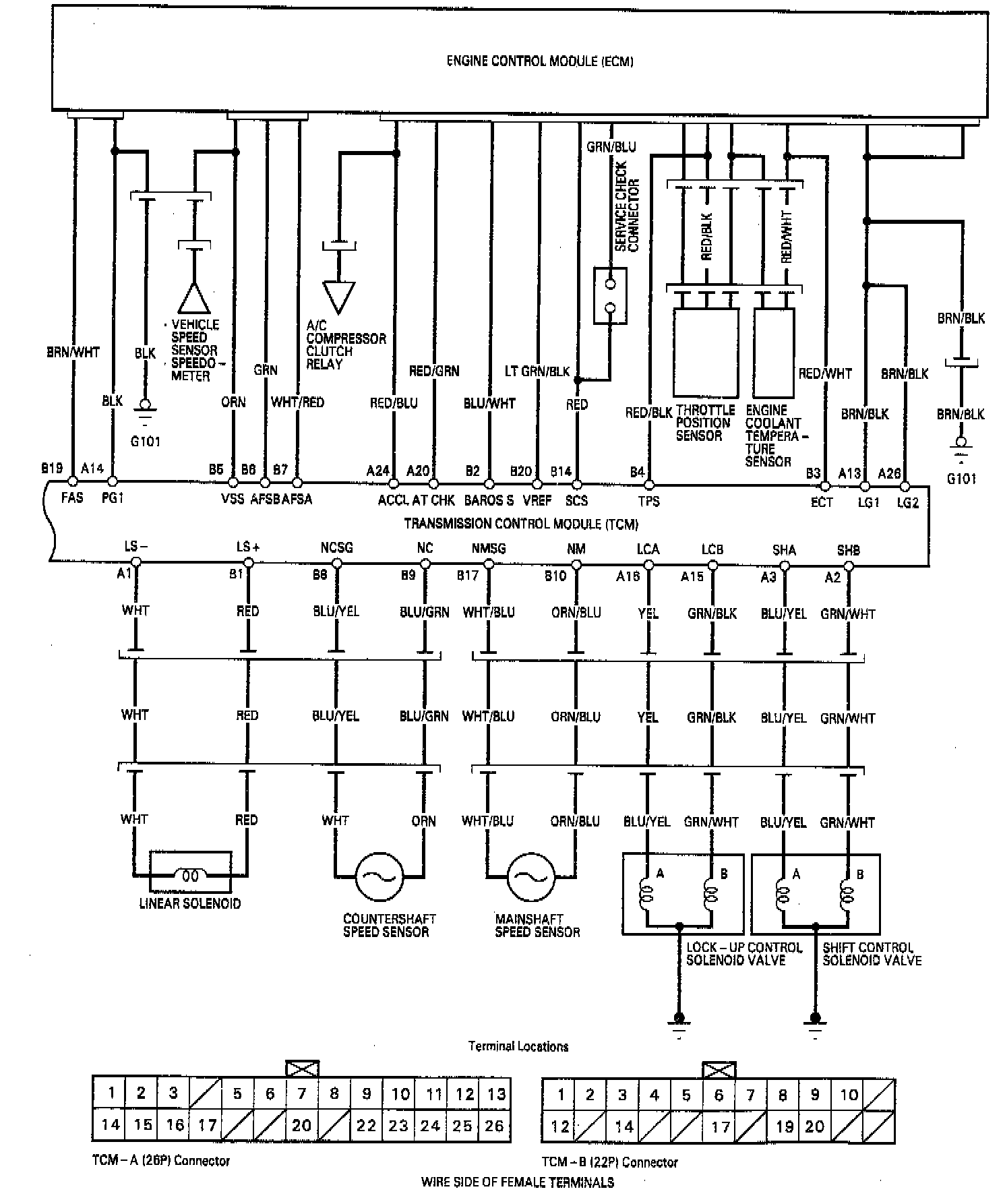
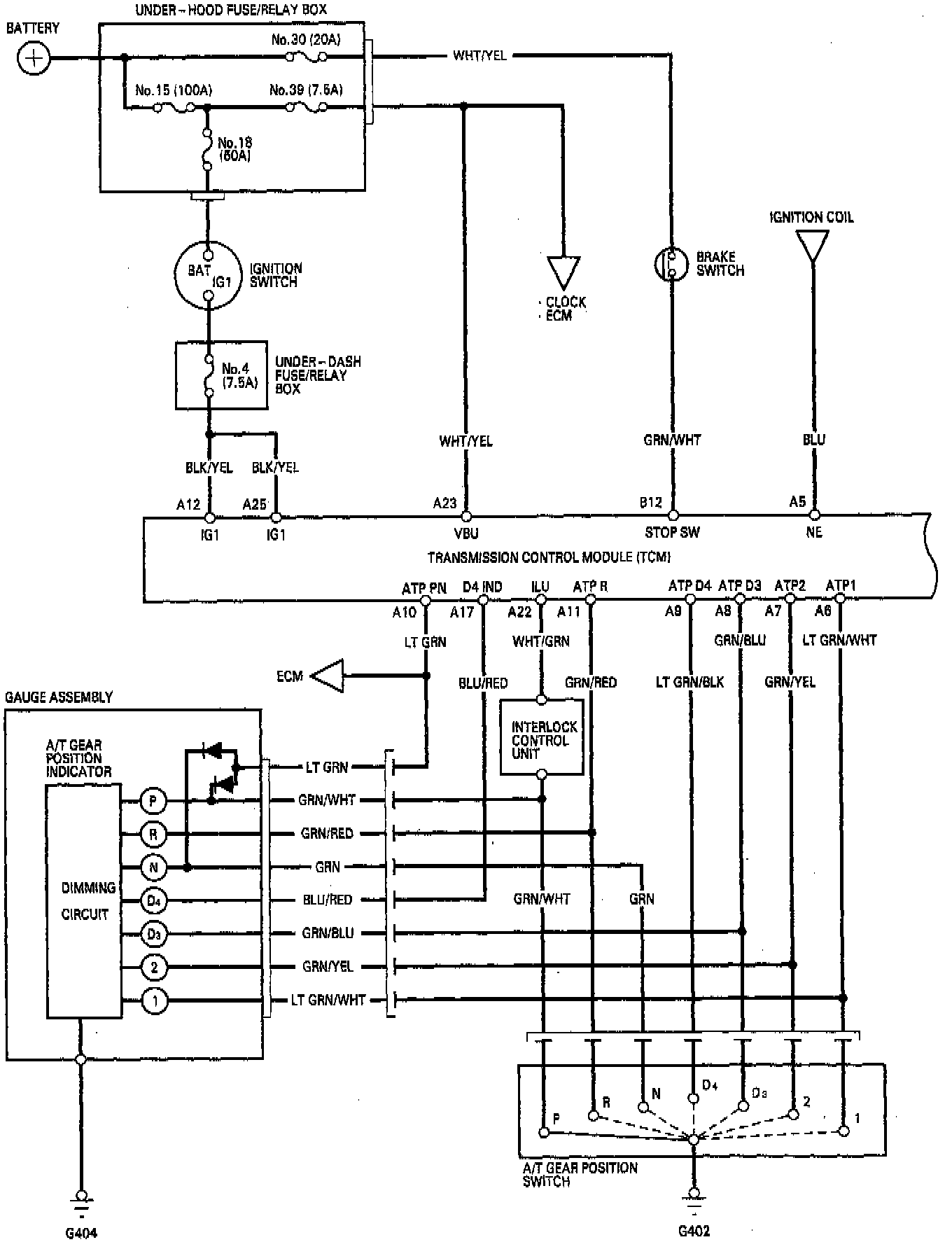
Transmission Control Module
Transmission Control Module
Part 1 Of 2:
Part 2 Of 2: