Curiosii for ever!
: Car repair manuals for everyone.
Home
>>
Honda
>>
1995
>>
Accord Sedan L4-2.2L SOHC
>>
Repair and Diagnosis
>>
Diagrams
>>
Exploded Views
>>
Automatic Transmission/Transaxle
>>
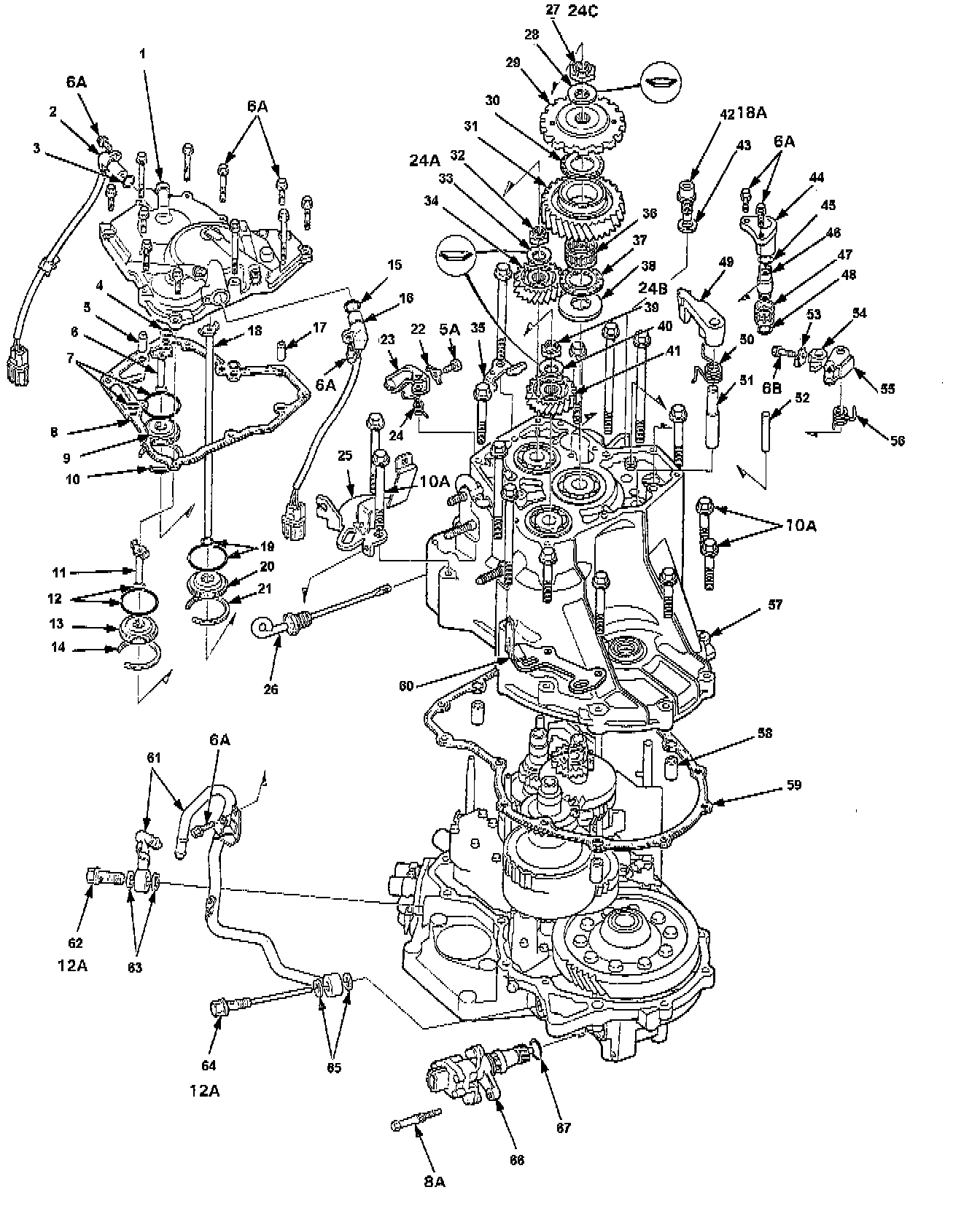
System Diagram
System Diagram
Part 1 Of 2:
Part 2 Of 2: