Curiosii for ever!: Car repair manuals for everyone.

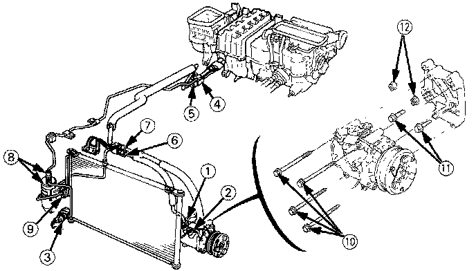
A/C System Torque Specification





(1) Discharge hose nut (8 x 1.25 mm): 22 Nm (2.2 kg-m, 16 lb-ft)
(2) Suction hose bolt (8 x 1.25 mm): 22 Nm (2.2 kg-m, 16 lb-ft)
(3) Condenser pipe nut (6 x 1.0 mm): 10 Nm (1.0 kg-m, 7 lb-ft)
(4) Receiver pipe bolts (6 x 1.0 mm): 10 Nm (1.0 kg-m, 7 lb-ft)
(5) Suction pipe nut (6 x 1.0 mm): 10 Nm (1.0 kg-m, 7 lb-ft)
(6) Discharge pipe joint nut: 23 Nm (2.3 kg-m, 17 lb-ft)
(7) Suction pipe joint nut: 33 Nm (3.3 kg-m, 24 lb-ft)
(8) Receiver/dryer: 14 Nm (1.4 kg-m, 10 lb-ft)
(9) Discharge pipe nut (6 x 10 mm): 10 Nm (1.0 kg-m, 7 lb-ft)
(10) Compressor mounting bolts (8 x 1.25 mm): 22 Nm (2.2 kg-m, 16 lb-ft)
(11) Compressor bracket mounting bolts (10 x 1.25 mm): 50 Nm (5.0 kg-m, 36 lb-ft)
(12) Compressor bracket mounting nuts (10 x 1.25 mm): 50 Nm (5.0 kg-m, 36 lb-ft)