Curiosii for ever!
: Car repair manuals for everyone.
Home
>>
Honda
>>
1994
>>
Prelude L4-2.2L SOHC
>>
Repair and Diagnosis
>>
Diagrams
>>
Components
>>
Relays
>>
Under-Dash Fuse/Relay Box
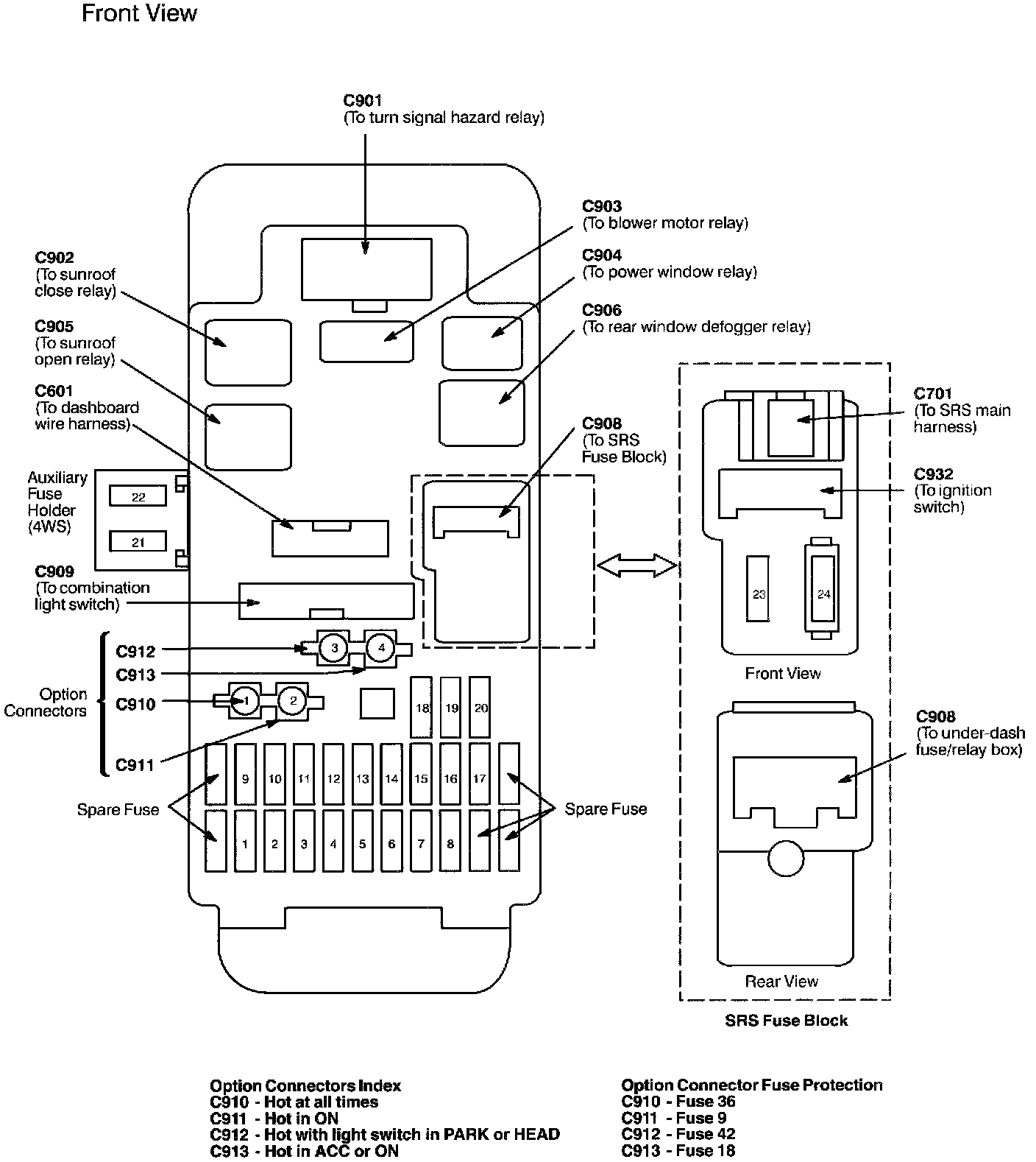
Under-Dash Fuse/Relay Box
Fuse/Relay Information - Under-dash Fuse/Relay Box (Part 1 Of 3):
Fuse/Relay Information - Under-dash Fuse/Relay Box (Part 2 Of 3):
Fuse/Relay Information - Under-dash Fuse/Relay Box (Part 3 Of 3):