Curiosii for ever!
: Car repair manuals for everyone.
Home
>>
Honda
>>
1994
>>
Del Sol L4-1.6L DOHC (VTEC)
>>
Repair and Diagnosis
>>
Specifications
>>
Mechanical Specifications
>>
Engine
>>
System Specifications
>>
Torque Specifications
Torque Specifications
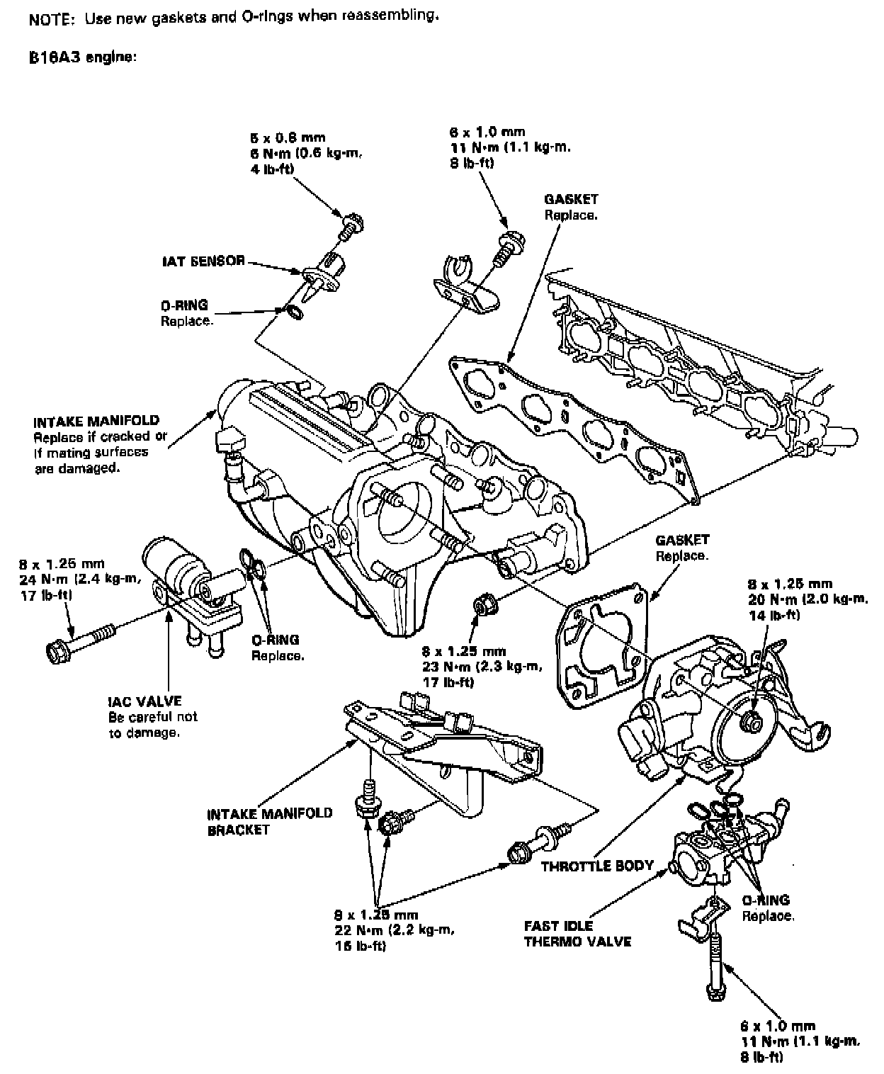
Intake:
Exhaust Manifold:
Upper Engine:
Cam Holder Torque/Sequence:
Tighten cylinder head bolts in sequence in two steps:
1st step:
30 N.m (3.0 kg-m, 22 lb.ft)
2nd step:
85 N.m (8.5 kg-m, 61 lb.ft)
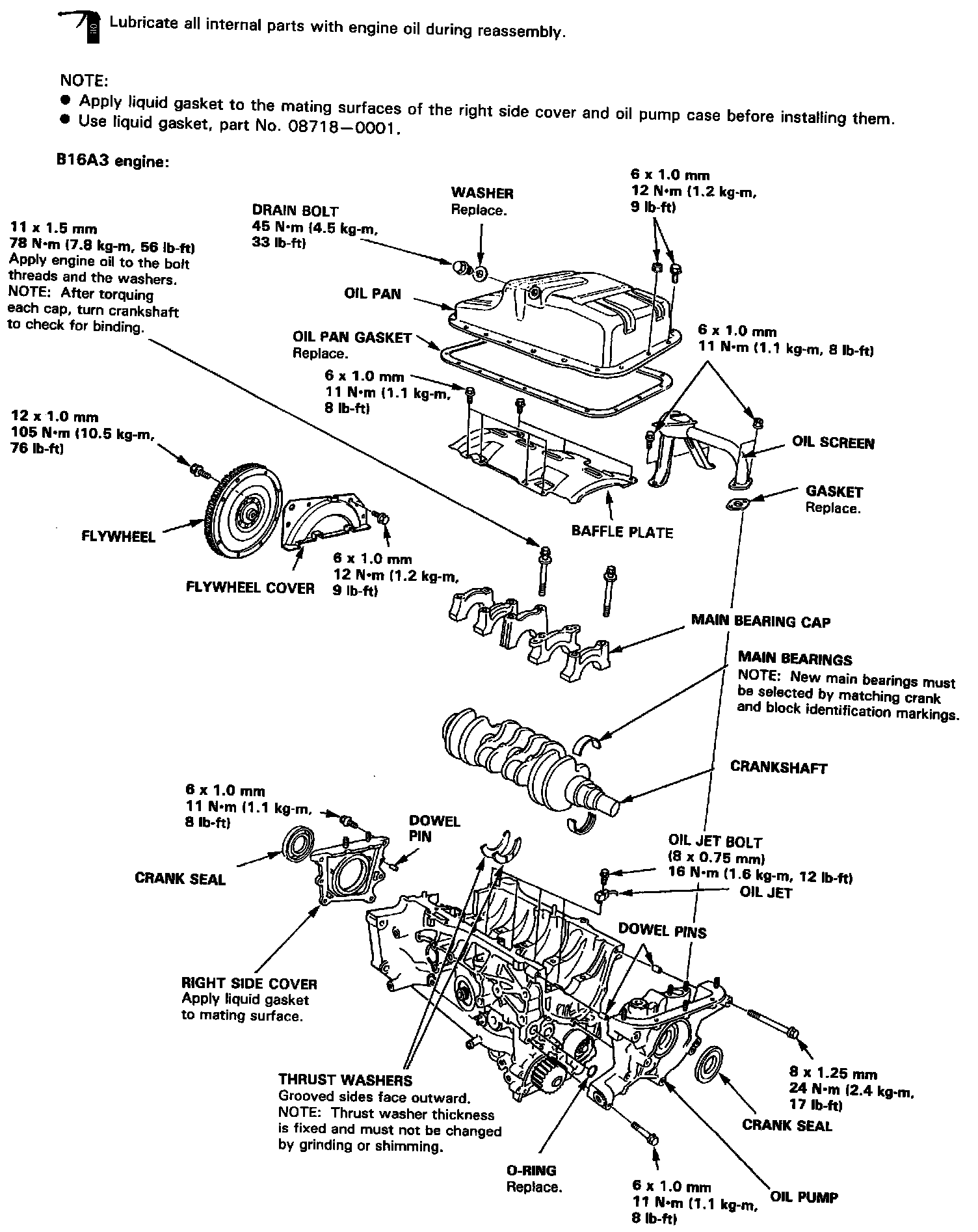
Timing Components:
Lower Engine:
Main Bolt Torque Sequence:
Flywheel (M/T) Torque/Sequence:
Drive Plate (A/T) Torque: