Curiosii for ever!: Car repair manuals for everyone.

Torque Specifications

Intake:






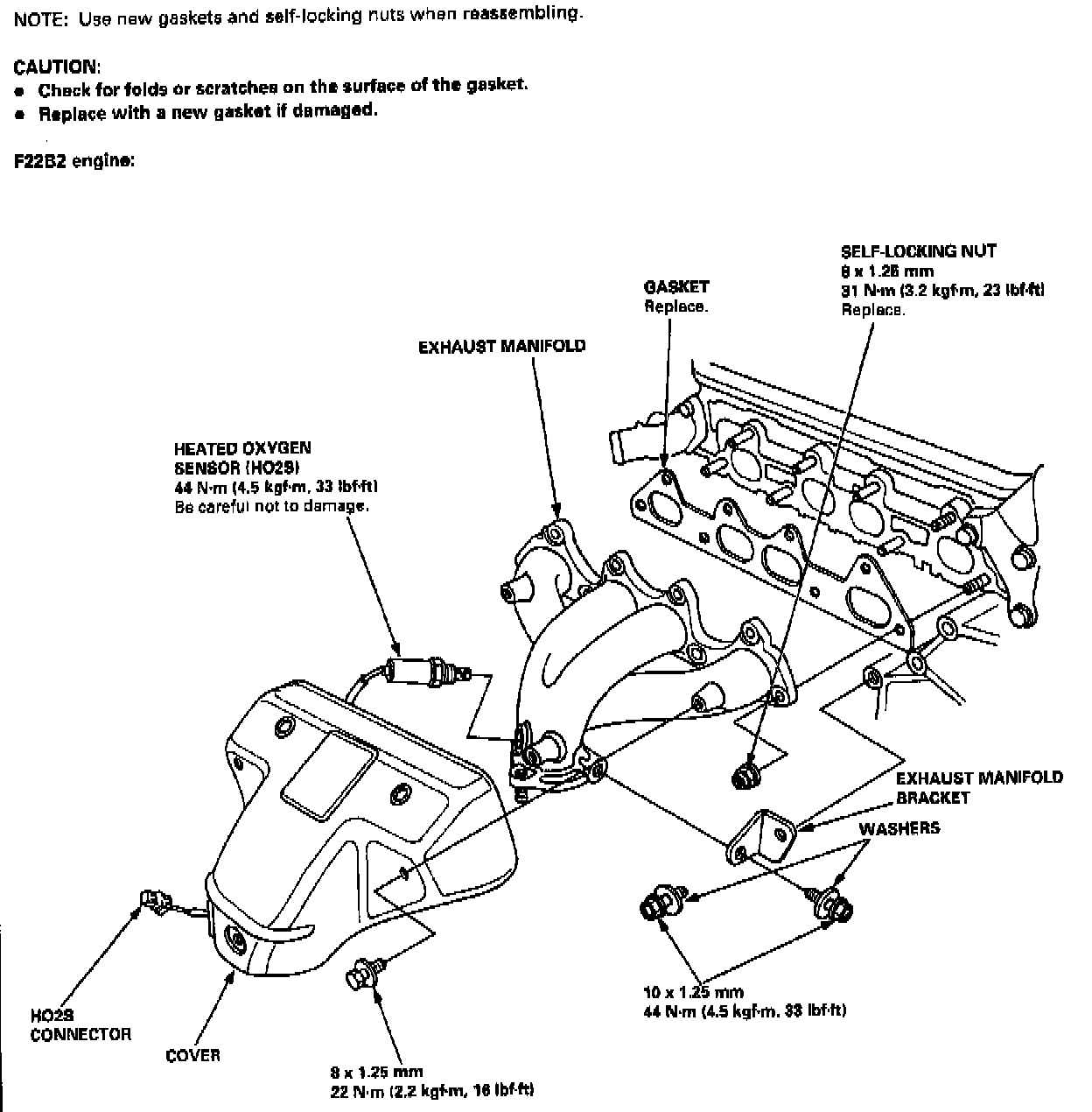
Exhaust Manifold:
















Camshaft And Rocker Arm:






Fig. 11 Cylinder Head Bolt Loosening Sequence:






Camshaft Bolt Loosening Sequence:






Camshaft Bolt Torque/Sequence:






Cylinder Head Torque Sequence:







Torque cylinder head attaching bolts in three steps; first step to 29 ft. lbs., second step to 51 ft. lbs., third step to 72 ft. lbs.



Timing Components:






Lower Block:






Main Bearing Cap Loosening Sequence:






Main Bearing Cap Torque Sequence:






Balance Shaft:






Balance Shaft Drive:






Lubrication System:






Oil Pan:






Flywheel Torque And Sequence:






Flexplate Torque And Sequence: