Curiosii for ever!
: Car repair manuals for everyone.
Home
>>
Honda
>>
1994
>>
Accord L4-2156cc 2.2L SOHC MFI
>>
Repair and Diagnosis
>>
Diagrams
>>
Electrical Diagrams
>>
Powertrain Management
>>
Computers and Control Systems
>>
Engine Control Module
Engine Control Module
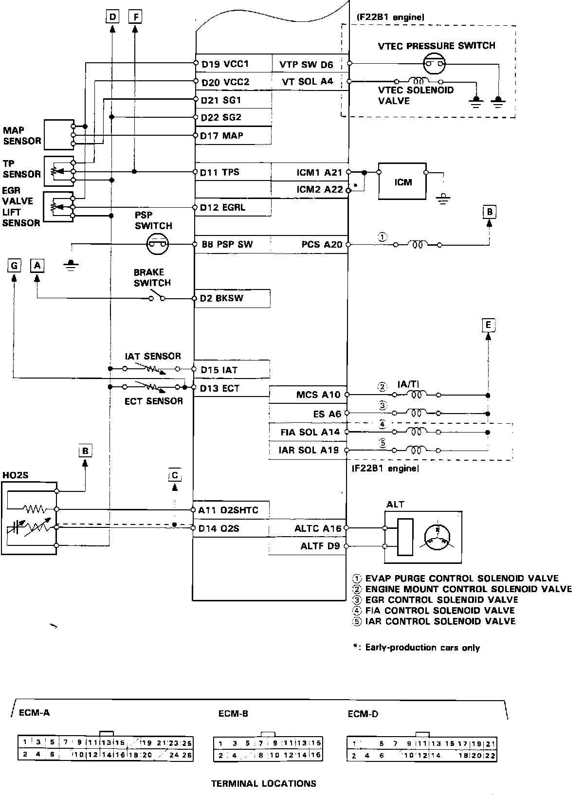
PGM-FI Schematic 1 of 2:
PGM-FI Schematic 2 of 2: