Curiosii for ever!
: Car repair manuals for everyone.
Home
>>
Honda
>>
1993
>>
Prelude L4-2.3L DOHC
>>
Repair and Diagnosis
>>
Diagrams
>>
Exploded Views
>>
Wire Harness Routing
>>
Engine
>>
Ground
Ground
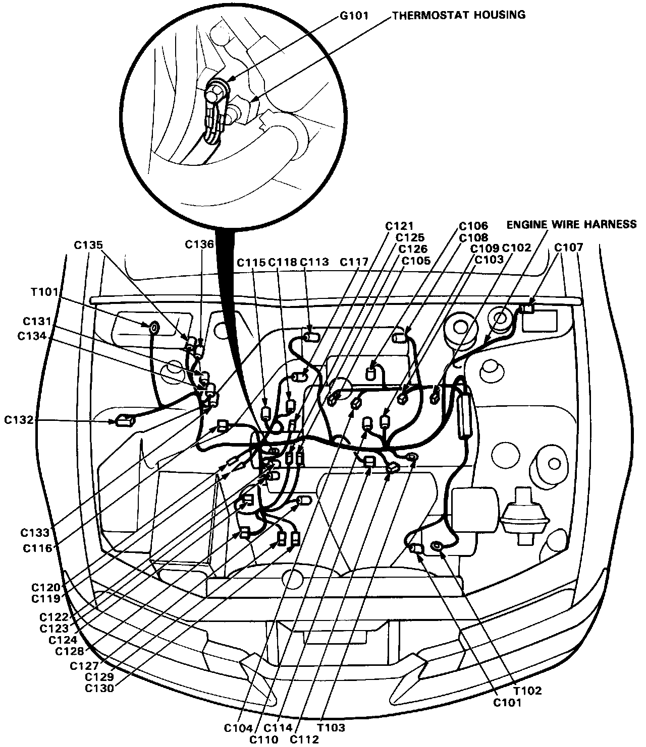
Connector Locations And Harness Routing: Engine Wire Harness: