Curiosii for ever!
: Car repair manuals for everyone.
Home
>>
Honda
>>
1993
>>
Prelude L4-2.2L DOHC (VTEC)
>>
Repair and Diagnosis
>>
Diagrams
>>
Exploded Views
>>
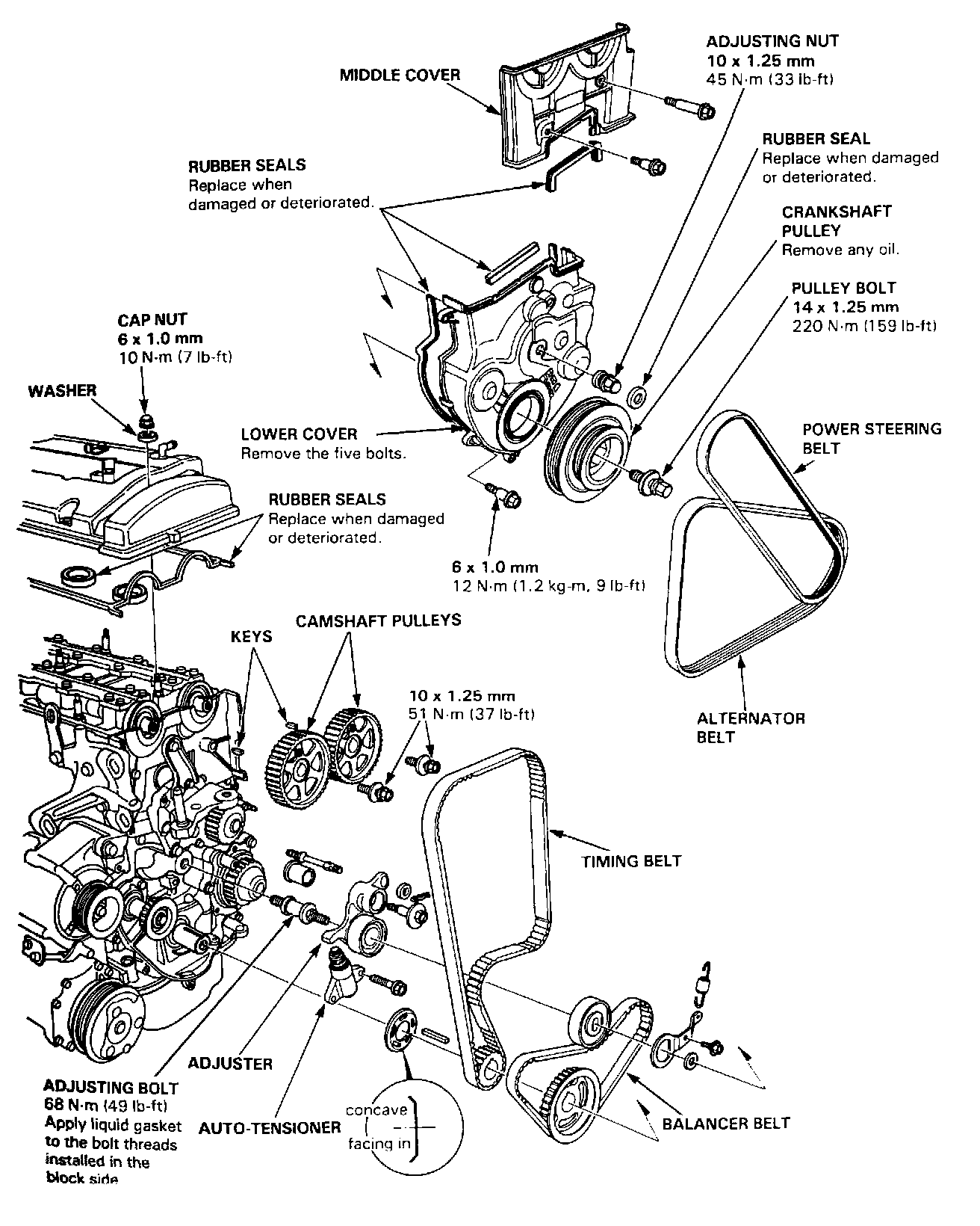
Timing Components
Timing Components