Curiosii for ever!: Car repair manuals for everyone.

System Specifications

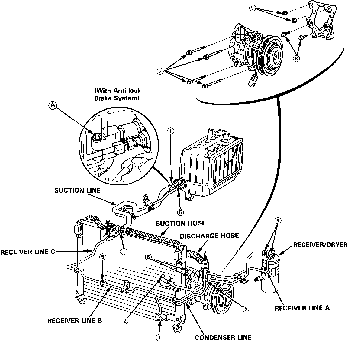
Location Of Fasteners:





COMPONENT TORQUE VALUES
(1) Suction line (evaporator side): 33 Nm (24 lb-ft)
(A) With Anti-lock brake System: 16 Nm (12 lb-ft)
(2) Discharge hose to condenser: 19 Nm (14 lb-ft)
(3) Condenser line to condenser: 10 Nm (7 lb-ft)
(4) Receiver/Dryer: 14 Nm (10 lb.-ft)
(5) Receiver line A, B, C (both side): 14 Nm (10 lb-ft)
(6) Compressor hose mounting bolts: 22 Nm (16 lb-ft)
(7) Compressor mounting bolts: 22 Nm (16 lb-ft)
(8) Compressor bracket mounting bolts: 50 Nm (36 lb-ft)
(9) Compressor bracket mounting nuts: 50 Nm (36 lb-ft)

Refer to item number in illustration.