Curiosii for ever!
: Car repair manuals for everyone.
Home
>>
Honda
>>
1992
>>
Prelude L4-2.3L DOHC
>>
Repair and Diagnosis
>>
Powertrain Management
>>
Computers and Control Systems
>>
Idle Up Control Valve
>>
Locations
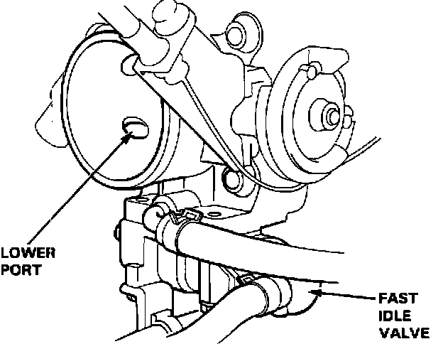
Idle Up Control Valve: Locations
Fast Idle Valve Location:
The Fast Idle Valve is mounted below the throttle body.