Curiosii for ever!
: Car repair manuals for everyone.
Home
>>
Honda
>>
1992
>>
Accord L4-2156cc 2.2L SOHC
>>
Repair and Diagnosis
>>
Powertrain Management
>>
Emission Control Systems
>>
Diagrams
>>
Canada
>>
EX-R Model
EX-R Model
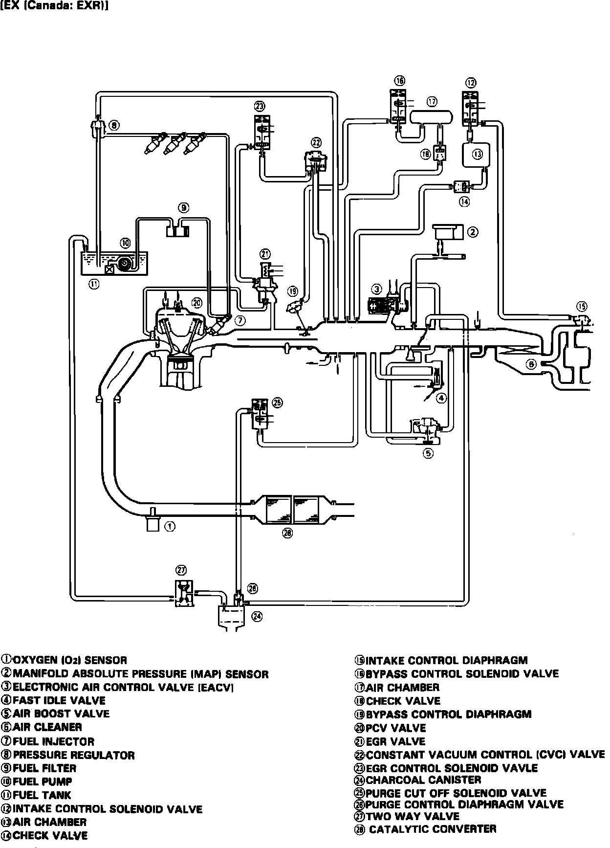
Vacuum And Vapor Hose Diagram:
COMPLETE VACUUM AND VAPOR HOSE SCHEMATIC
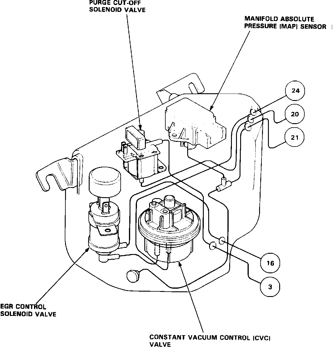
Vacuum Hose Connections:
VACUUM HOSE ROUTING EXCEPT CONTROL BOX
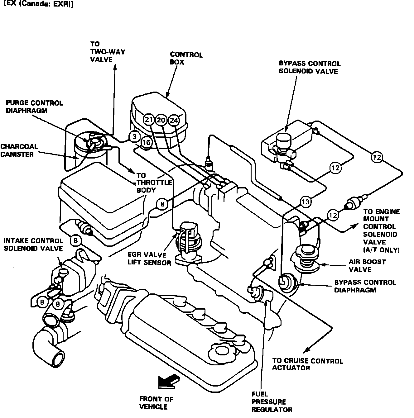
Control Box Vacuum Hose Routing:
VACUUM HOSE ROUTING CONTROL BOX