Curiosii for ever!
: Car repair manuals for everyone.
Home
>>
Honda
>>
1991
>>
Prelude L4-2056cc DOHC
>>
Repair and Diagnosis
>>
Powertrain Management
>>
Computers and Control Systems
>>
Idle Up Control Valve
>>
Locations
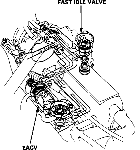
Idle Up Control Valve: Locations
Fast Idle Valve:
The Fast Idle Valve is mounted on aft portion of the Throttle Body itself.