Curiosii for ever!
: Car repair manuals for everyone.
Home
>>
Honda
>>
1991
>>
Prelude L4-2056cc DOHC
>>
Repair and Diagnosis
>>
Heating and Air Conditioning
>>
Control Module HVAC
>>
Locations
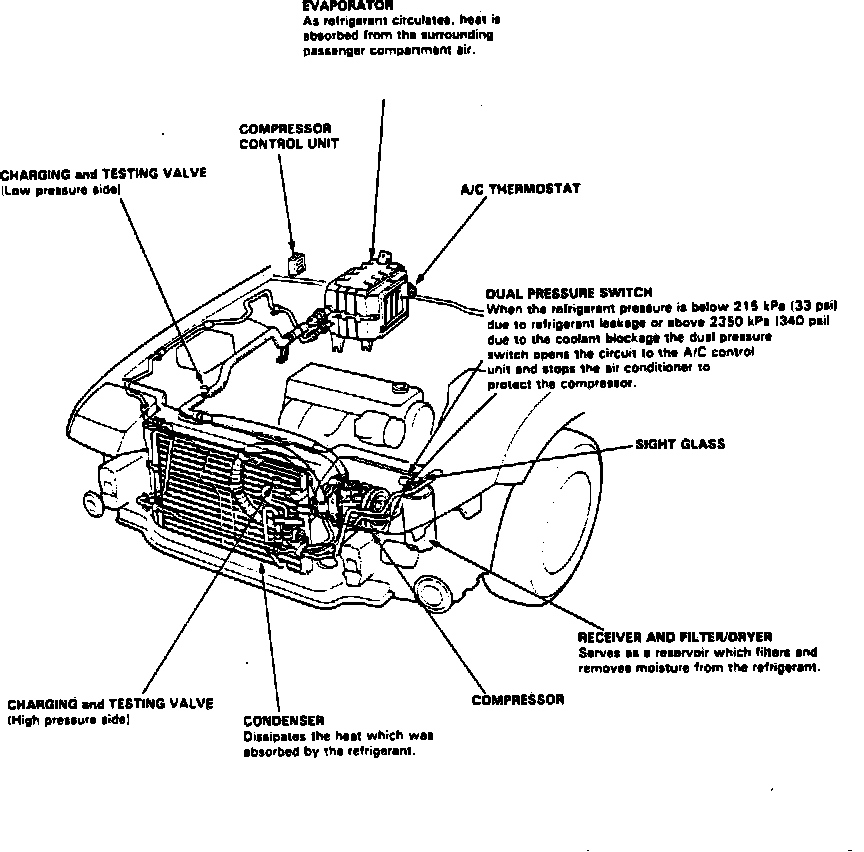
Control Module HVAC: Locations
Air Conditioner System Components (Part 1 Of 2).:
Air Conditioner System Components (Part 2 Of 2).:
RH Side Of Engine Compartment
Applicable to: 1991