Curiosii for ever!
: Car repair manuals for everyone.
Home
>>
Honda
>>
1990
>>
Prelude L4-2056cc DOHC
>>
Repair and Diagnosis
>>
Powertrain Management
>>
Emission Control Systems
>>
Locations
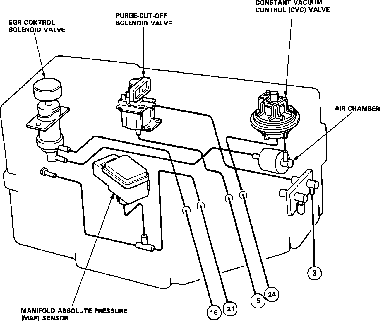
Emission Control Systems: Locations
Under Hood Components:
Control Box Components: