Curiosii for ever!
: Car repair manuals for everyone.
Home
>>
Honda
>>
1990
>>
Prelude L4-2056cc DOHC
>>
Repair and Diagnosis
>>
Powertrain Management
>>
Computers and Control Systems
>>
Central Electronics Box
>>
Locations
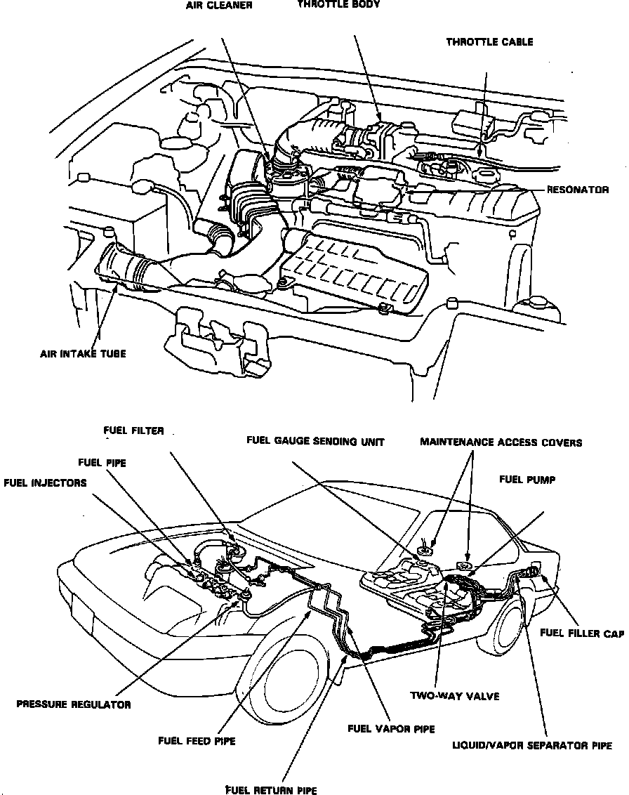
Central Electronics Box: Locations
Fuel & Emissions System Components (Part 1 Of 2).:
Fuel & Emissions System Components (Part 1 Of 2).:
Rear RH Corner Of Engine Compartment
Applicable to: 1990 2.1L/4-128 Fuel Injected Engine