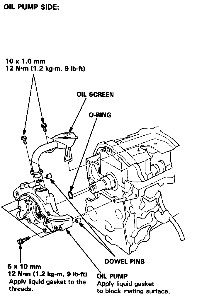
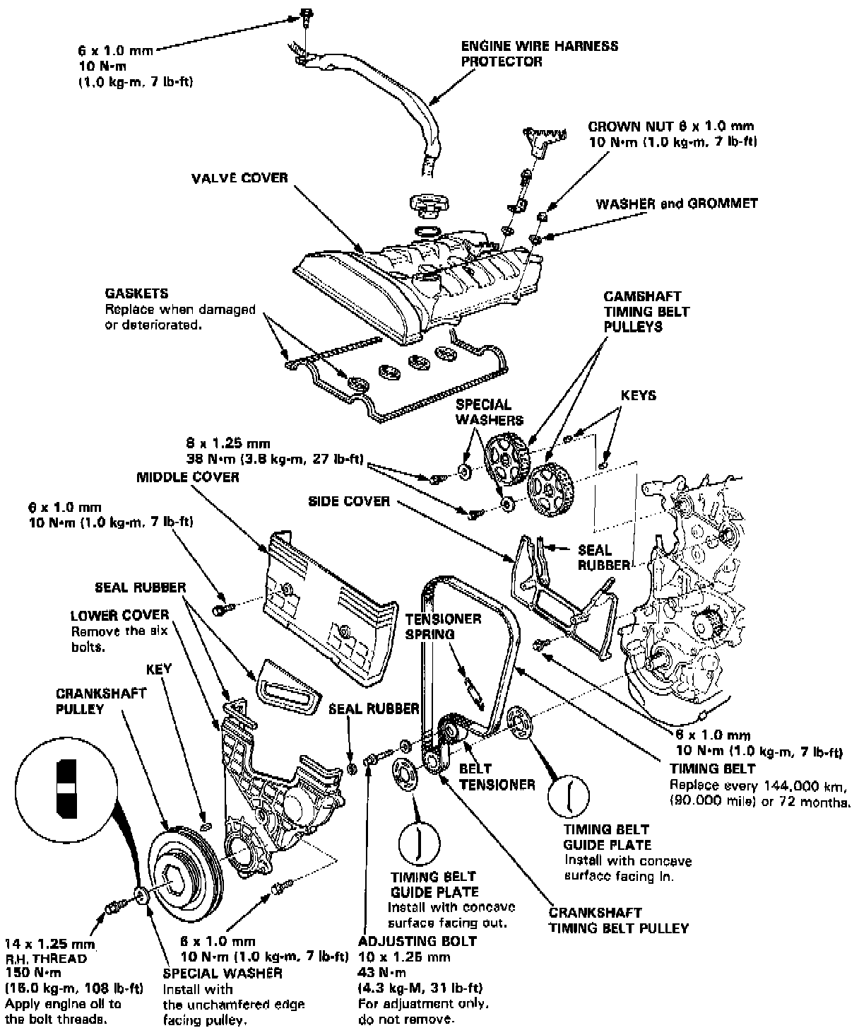
Torque Specifications
Intake (FUEL INJECTED):
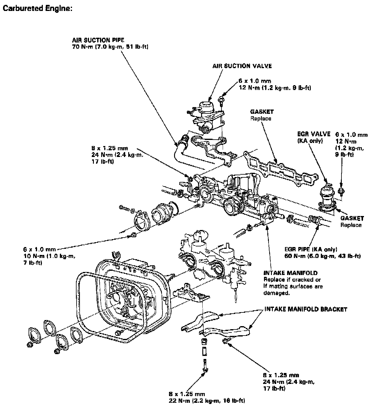
Intake (CARB):
Exhaust Manifold (FUEL INJECTED):
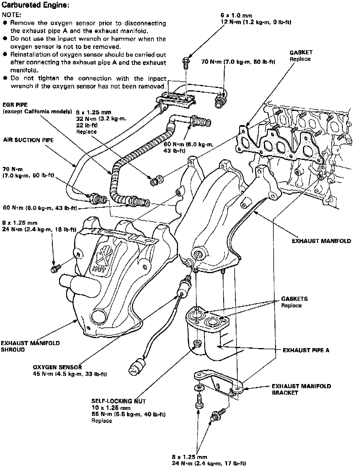
Exhaust Manifold (CARB):
Cylinder Head (FUEL INJECTED):
Cylinder Head Assembly (CARB):
Head (FUEL INJECTED):
Head (CARB):
Cam Holder Torque/Sequence (CARB):
Head Bolt Torque Sequence (FUEL INJECTED):
Head Bolt Torque Sequence (CARB):
Tighten cylinder head bolts in two steps:
1st step: Tighten all bolts, in sequence, to 30 N.m (22 lb-ft.)
2nd step: Tighten all bolts to 68 N.m (49 lb-ft).