Curiosii for ever!
: Car repair manuals for everyone.
Home
>>
Honda
>>
1989
>>
Prelude L4-1958cc SOHC
>>
Repair and Diagnosis
>>
Powertrain Management
>>
Emission Control Systems
>>
Diagrams
>>
Control Box Components
>>
Non-California
Non-California
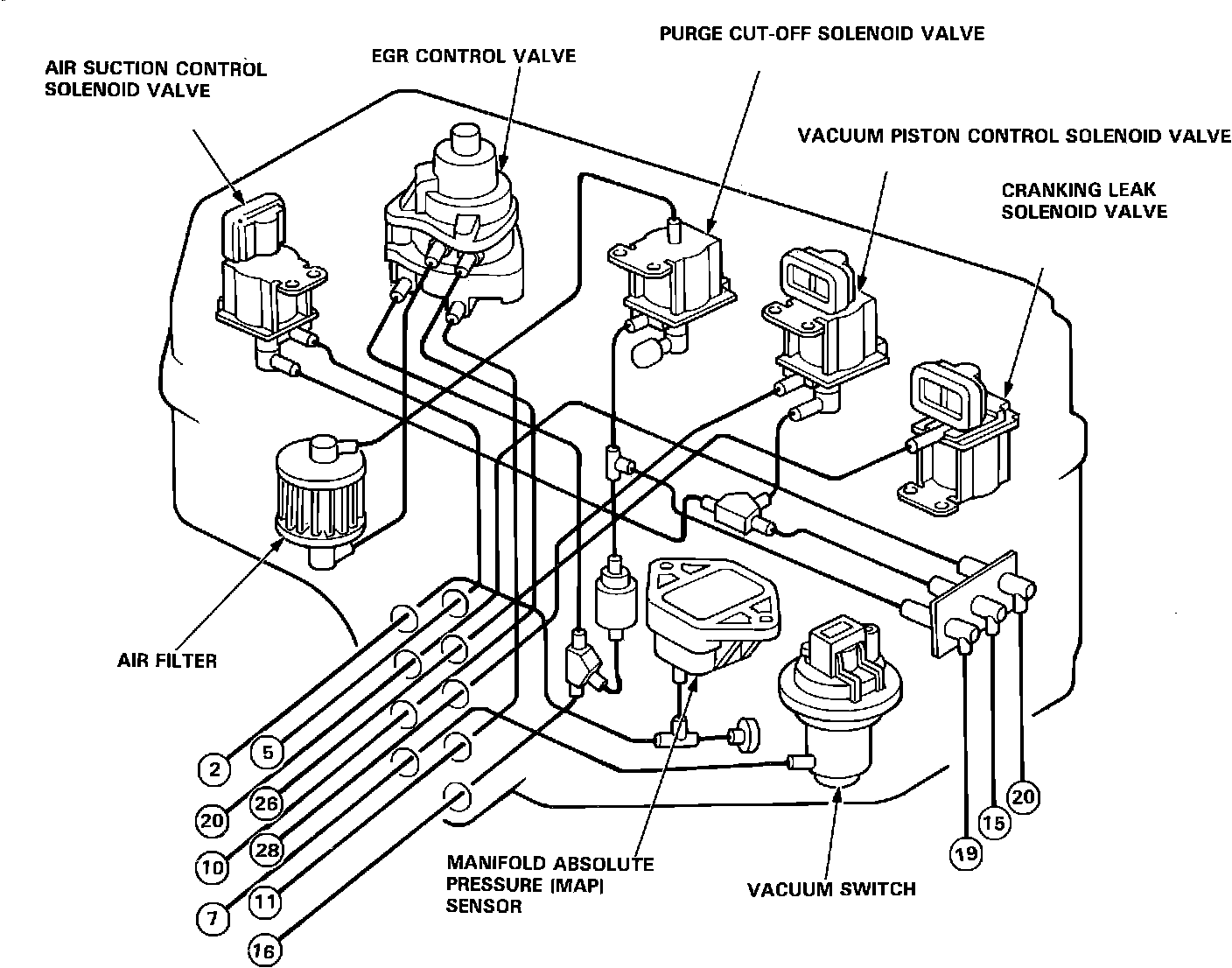
Fig. 7 Vacuum Control Box Components (49 State):