Curiosii for ever!
: Car repair manuals for everyone.
Home
>>
Honda
>>
1989
>>
Prelude L4-1958cc SOHC
>>
Repair and Diagnosis
>>
Powertrain Management
>>
Computers and Control Systems
>>
Relays and Modules - Computers and Control Systems
>>
Engine Control Module
>>
Diagrams
>>
Electrical Diagrams
>>
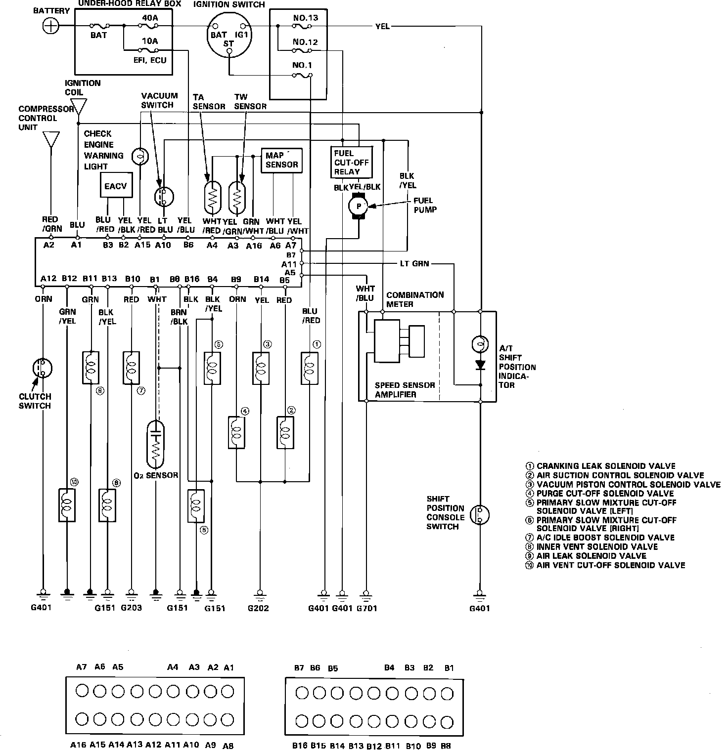
Electronic Control Unit (ECU) Connections
Electronic Control Unit (ECU) Connections
Fig. 11 PGM-CARB control unit Wiring Diagram: