Curiosii for ever!: Car repair manuals for everyone.

Torque Specifications

Cylinder Head, Camshaft, Rocker Arms and Manifolds












Torque cylinder head bolts in 2 steps, following sequence shown in figure. First torque bolts to 22 ft. lbs., then torque bolts to 49 ft. lbs.






Cylinder Block















Flywheel/Flexplate Replacement








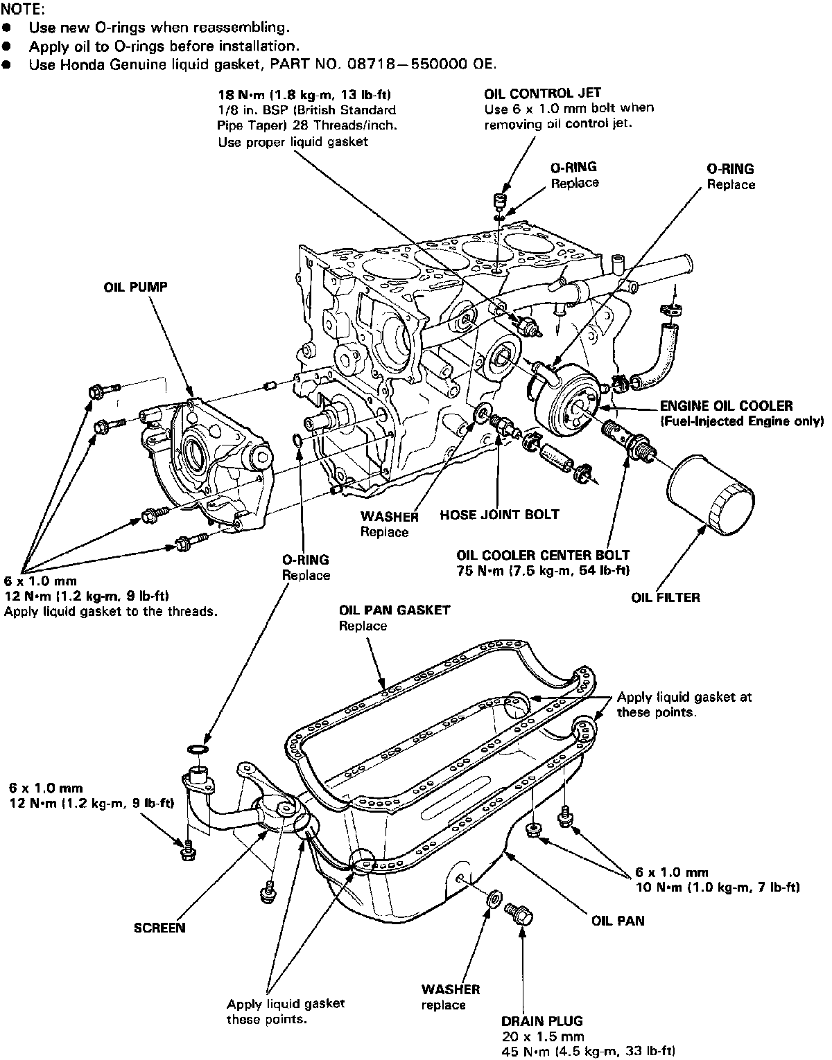
Lubrication