Curiosii for ever!
: Car repair manuals for everyone.
Home
>>
Honda
>>
1988
>>
Prelude L4-1958cc SOHC
>>
Repair and Diagnosis
>>
Powertrain Management
>>
Relays and Modules - Powertrain Management
>>
Relays and Modules - Computers and Control Systems
>>
Engine Control Module
>>
Diagrams
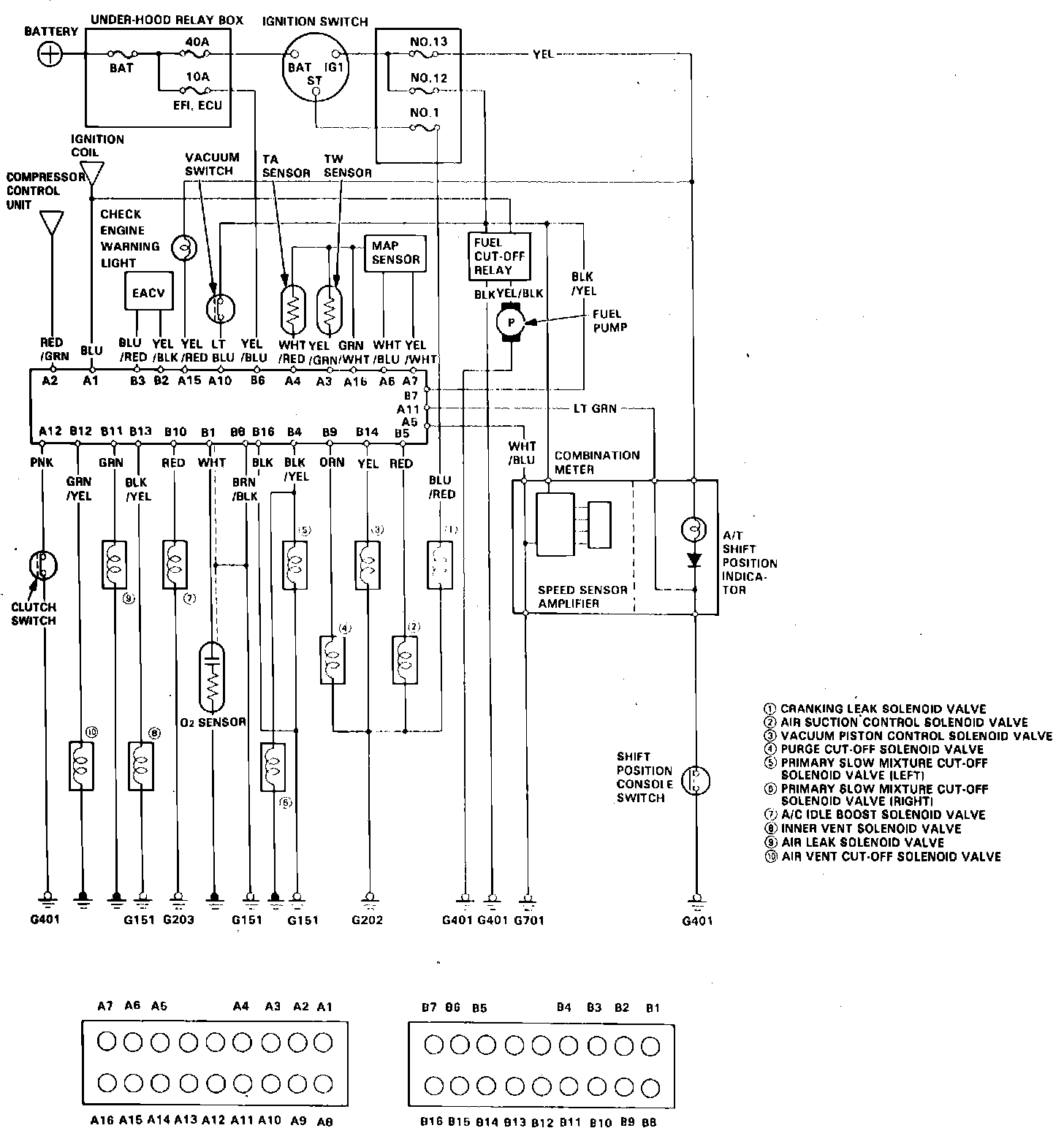
Engine Control Module: Diagrams
Fig. 281 Electrical Connections: