Curiosii for ever!
: Car repair manuals for everyone.
Home
>>
Honda
>>
1988
>>
Prelude L4-1958cc SOHC
>>
Repair and Diagnosis
>>
Powertrain Management
>>
Emission Control Systems
>>
Diagrams
>>
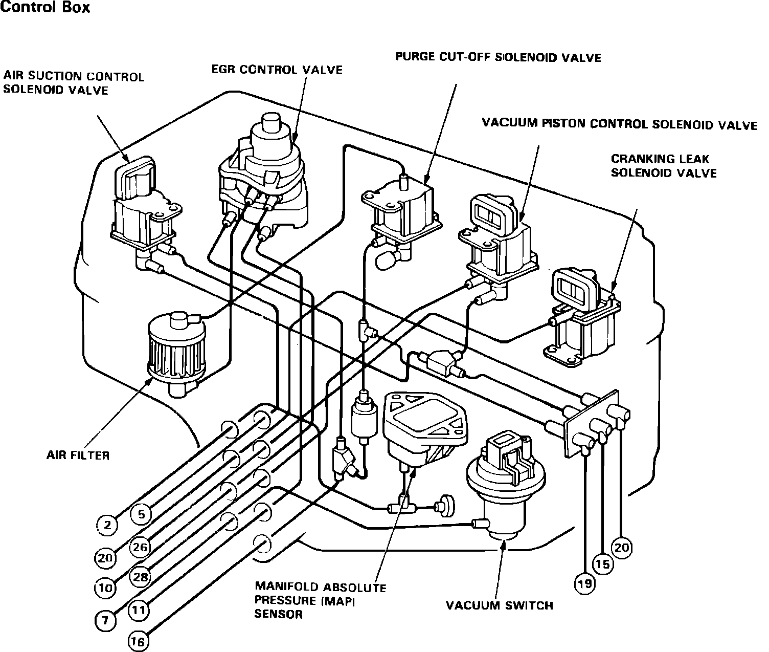
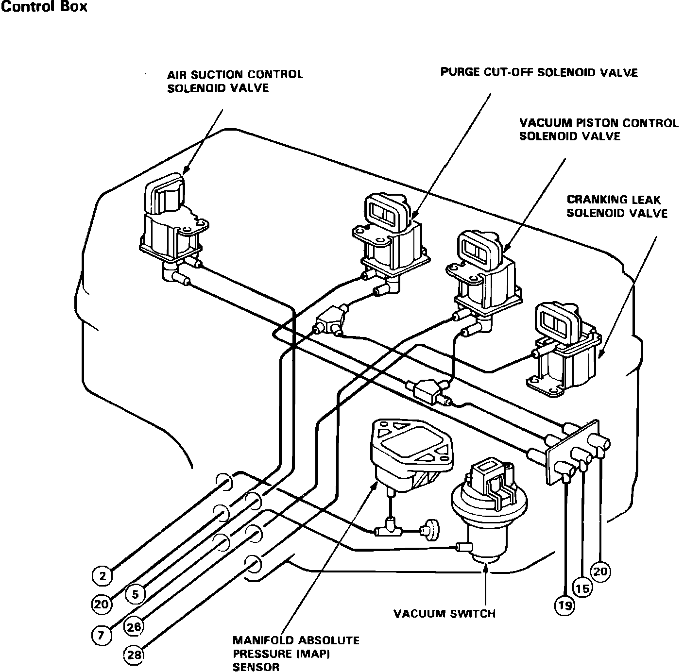
Control Box Reference Diagram
Control Box Reference Diagram
Fig. 71 Control Box Reference Diagram. W/CARB Exc. CA:
Fig. 73 Control Box Reference Diagram. W/CARB CA: