Curiosii for ever!
: Car repair manuals for everyone.
Home
>>
Honda
>>
1988
>>
Prelude L4-1958cc DOHC
>>
Repair and Diagnosis
>>
Diagrams
>>
Exploded Views
>>
Distributor, Ignition
Distributor, Ignition
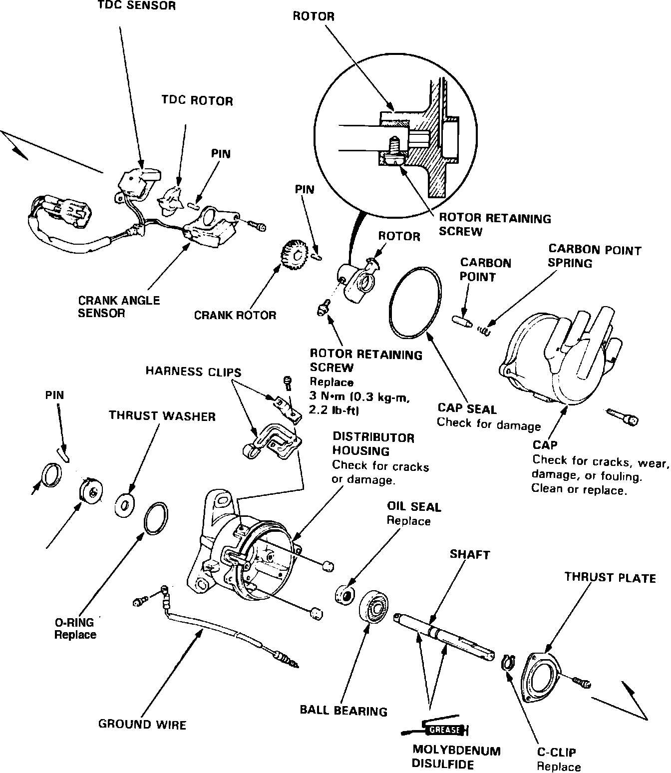
Fig. 14 Exploded View Of Distributor.: