Curiosii for ever!
: Car repair manuals for everyone.
Home
>>
Honda
>>
1988
>>
Accord L4-1955cc 2.0L SOHC 2-bbl
>>
Repair and Diagnosis
>>
Relays and Modules
>>
Relays and Modules - Cooling System
>>
Radiator Cooling Fan Control Module
>>
Locations
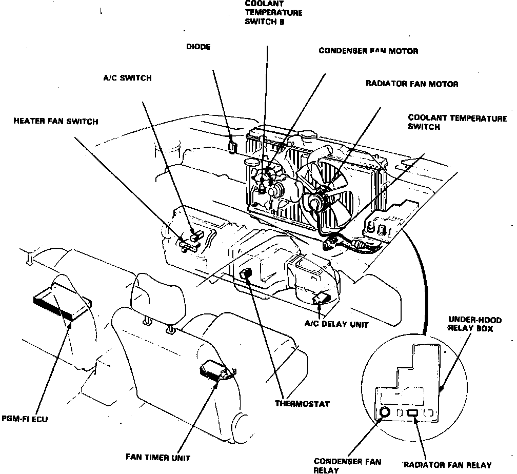
Radiator Cooling Fan Control Module: Locations
Air Conditioner System Components (Part 1 Of 2).:
Air Conditioner System Components (Part 1 Of 2).:
Under Front Passenger Seat
Applicable to: 1987-88 Accord