Curiosii for ever!
: Car repair manuals for everyone.
Home
>>
Honda
>>
1988
>>
Accord L4-1955cc 2.0L SOHC 2-bbl
>>
Repair and Diagnosis
>>
Diagrams
>>
Exploded Views
>>
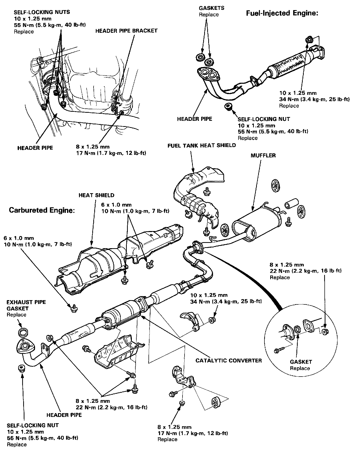
Exhaust System
Exhaust System
Exhaust Manifold (FUEL INJECTED):
Exhaust Manifold (CARB):
Exhaust Pipe And Muffler: