Curiosii for ever!
: Car repair manuals for everyone.
Home
>>
Honda
>>
1988
>>
Accord L4-1955cc 2.0L SOHC 2-bbl
>>
Repair and Diagnosis
>>
Diagrams
>>
Connector Views
>>
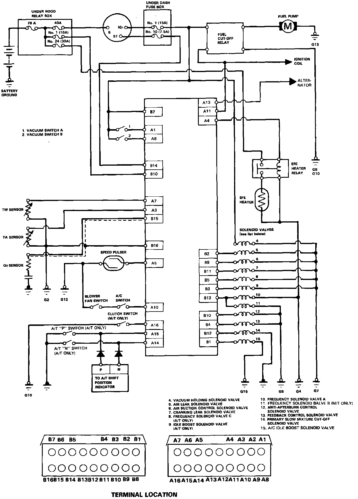
Engine Control Module
Engine Control Module