Curiosii for ever!
: Car repair manuals for everyone.
Home
>>
Honda
>>
1987
>>
Prelude L4-1955cc 2000
>>
Repair and Diagnosis
>>
Powertrain Management
>>
Emission Control Systems
>>
Locations
>>
Control Box Component Locations (M/T)
Control Box Component Locations (M/T)
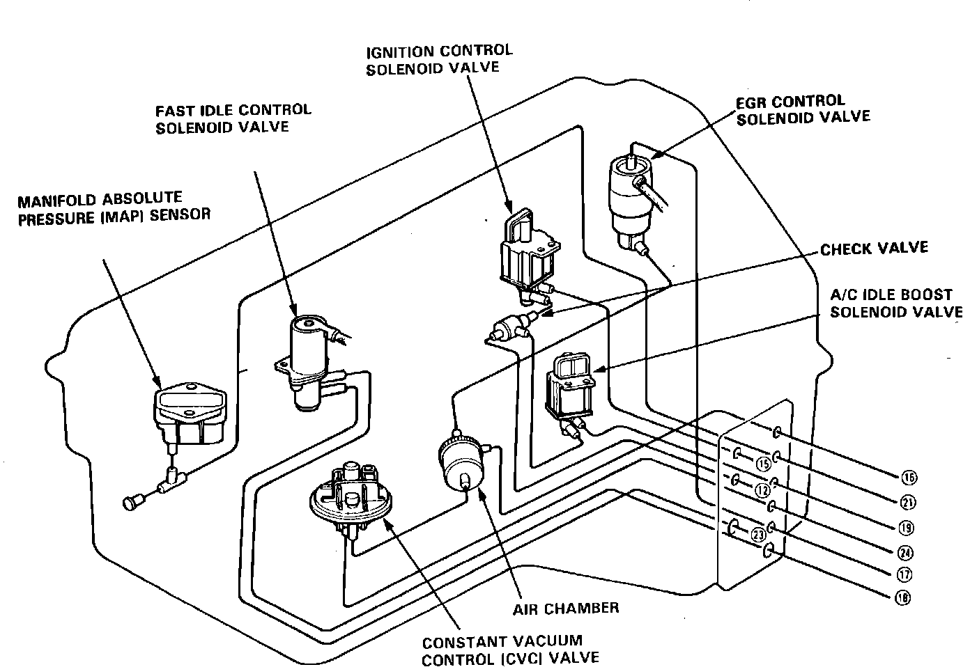
Fig. 268 Control Box Manual Transmission: