Curiosii for ever!
: Car repair manuals for everyone.
Home
>>
Honda
>>
1987
>>
Prelude L4-1955cc 2000
>>
Repair and Diagnosis
>>
Powertrain Management
>>
Emission Control Systems
>>
Diagrams
>>
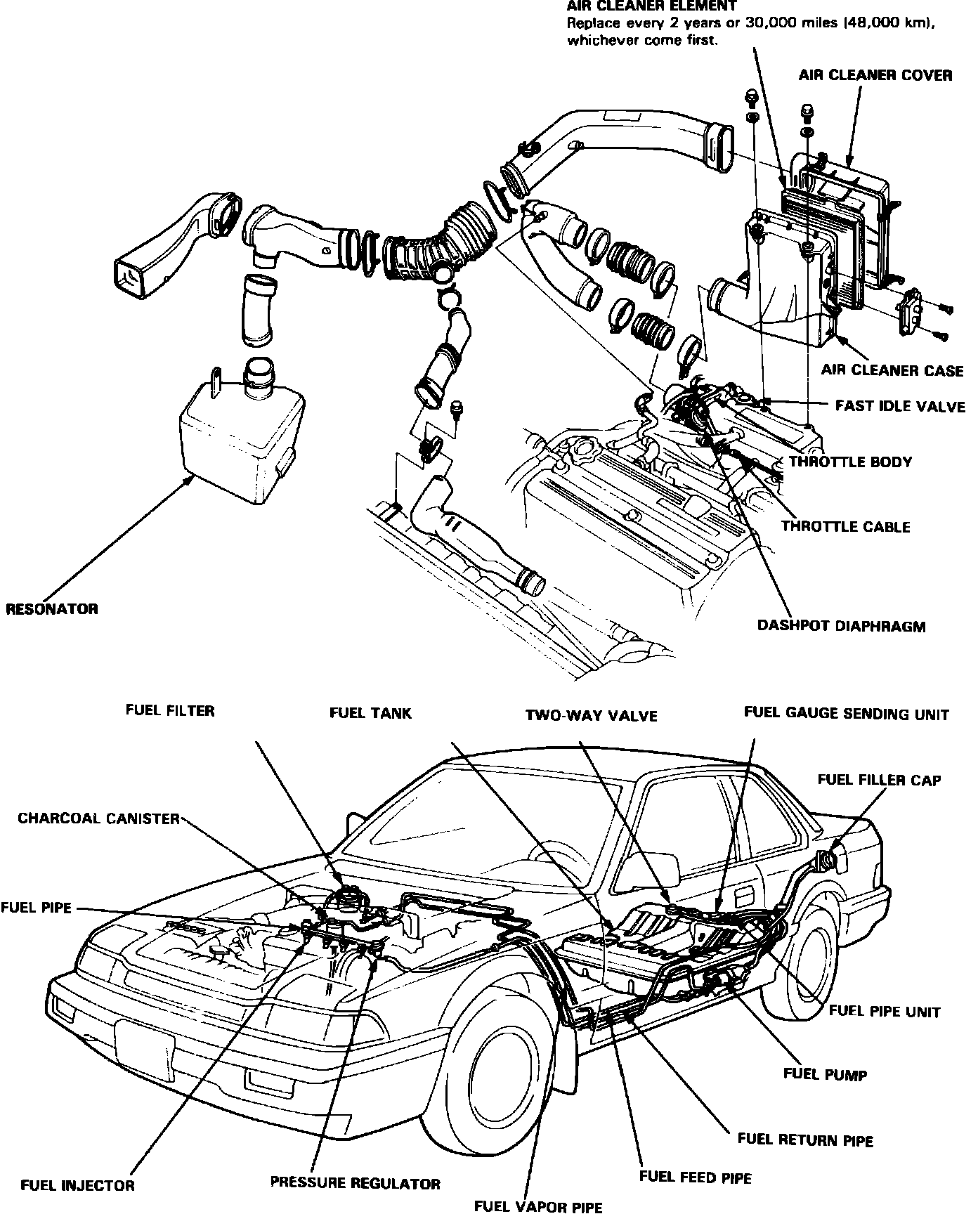
Engine Compartment Reference Diagram
Engine Compartment Reference Diagram
Fig. 23 Engine Compartment Reference Diagram. W/Fuel Injected Engine:
Fig. 23 Engine Compartment Reference Diagram. W/Fuel Injected Engine: