Curiosii for ever!
: Car repair manuals for everyone.
Home
>>
Honda
>>
1987
>>
Prelude L4-1955cc 2000
>>
Repair and Diagnosis
>>
Diagrams
>>
Exploded Views
>>
Instrument Cluster / Carrier
>>
Si
Si
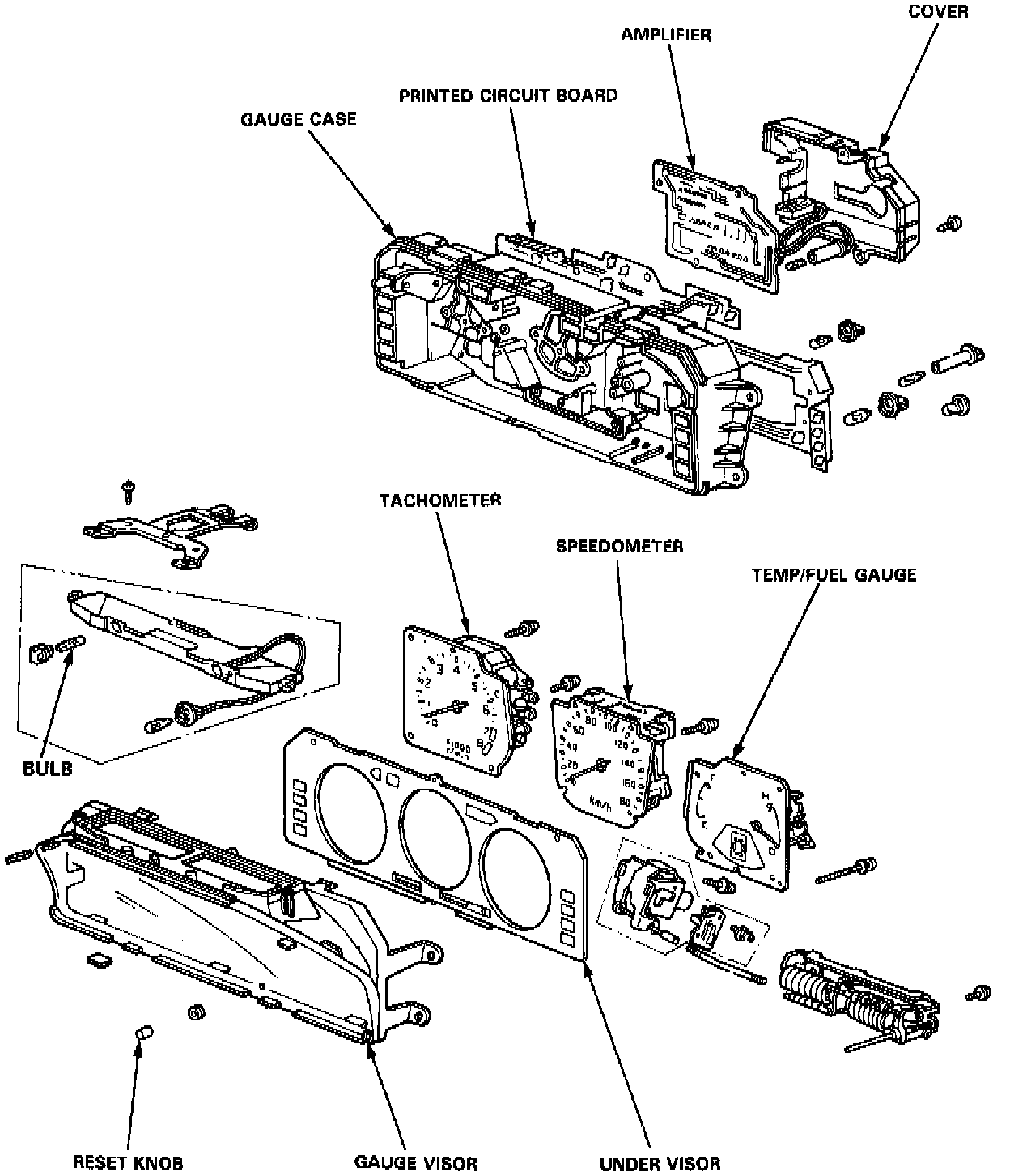
Instrument Cluster Exploded View (Si):
CAUTION:
-
Do not touch the printer circuits.
-
Avoid damaging coupler terminals.