Curiosii for ever!
: Car repair manuals for everyone.
Home
>>
Honda
>>
1987
>>
Accord L4-1955cc 2.0L SOHC 2-bbl
>>
Repair and Diagnosis
>>
Powertrain Management
>>
Computers and Control Systems
>>
Relays and Modules - Computers and Control Systems
>>
Engine Control Module
>>
Diagrams
>>
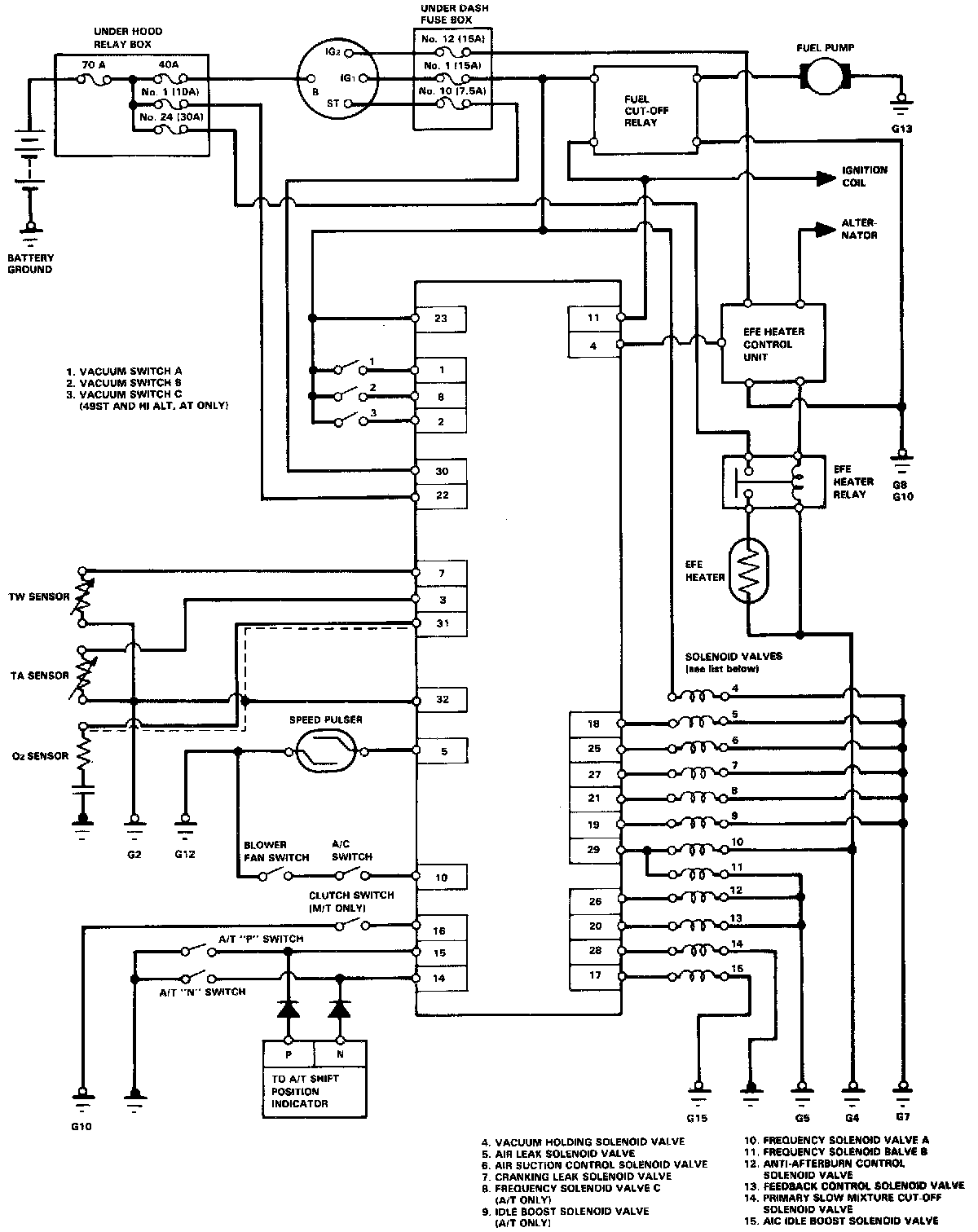
ECM Pinout / Terminal I.D. Charts
ECM Pinout / Terminal I.D. Charts