Curiosii for ever!
: Car repair manuals for everyone.
Home
>>
Honda
>>
1987
>>
Accord L4-1955cc 2.0L SOHC 2-bbl
>>
Repair and Diagnosis
>>
Heating and Air Conditioning
>>
Control Module HVAC
>>
Locations
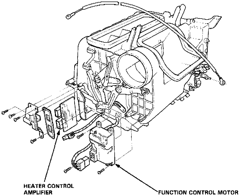
Control Module HVAC: Locations