Curiosii for ever!: Car repair manuals for everyone.

Air Conditioning System Circuits

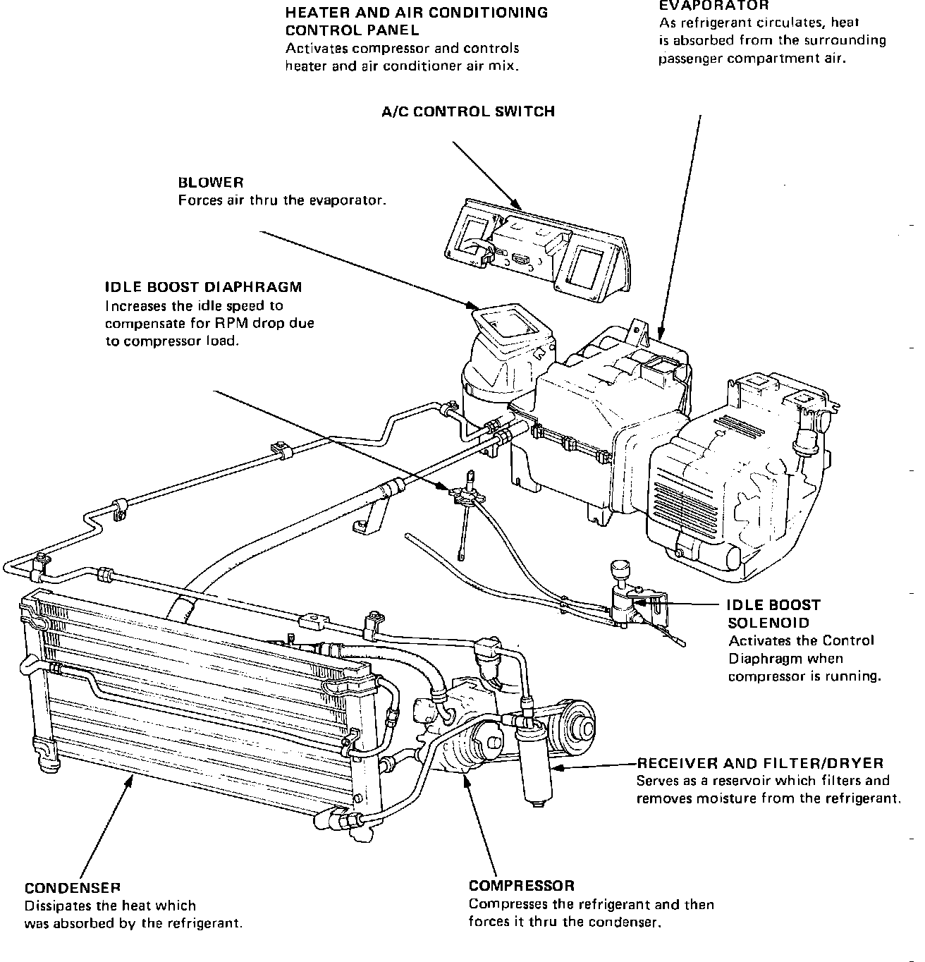
Fig. 19 System description, A/C.:










How The Circuit Works

Radiator and A/C Condenser Fans
The radiator and A/C condenser fan motors operate with the ignition switch in "RUN" and the temperature of the coolant in the radiator above 199 degrees F (93 degrees C). If the car is equipped with air conditioning, the radiator fan motor and A/C condenser fan motor both operate with the coolant above 199 degrees F (93 degrees C) or with the A/C compressor clutch engaged. With the coolant above 199 degrees F (93 degrees C), current flows through the radiator fan relay coil and radiator fan temperature switch to ground. The relay contacts close, and current flows through the radiator fan motor to ground. The motor operates.

With the fuel injected engine, the radiator fan control unit receives inputs from the radiator fan temperature switch and the under-hood temperature switch. With the engine running and the coolant temperature above 199 degrees F, the control unit applies voltage to the coil of the radiator fan relay. The relay contacts close and voltage is applied to the radiator fan motor. The motor operates without the engine running and the under-hood temperature above 107 degrees F, the radiator fan control unit receives an input from the closed contacts of under-hood temperature switch. The radiator fan motor operates the same way as with the engine running, but it only runs for a maximum of 15 minutes or until the under-hood temperature switch opens.

With the carbureted engine and the A/C switch on the heater control panel closed, current flows through the radiator fan relay coil, the A/C diode box, the A/C dual pressure cutout switch, the A/C thermostat, and the A/C switch to ground.The radiator fan relay contacts close and current flows through the relay and both fan motors to ground.

With the fuel injected engine and the A/C switch closed, the radiator fan control unit receives an A/C on input. The control unit applies voltage to the coil of the radiator fan relay and the sub radiator fan relay. The relays contacts close an both fan motors operate.

Air Conditioner Compressor
With the A/C switch on the heater control panel closed, current flows through the A/C compressor clutch relay, the A/C diode box, the A/C dual pressure cutout switch, the A/C thermostat and the A/C switch to ground. The A/C compressor clutch relay contacts close, and voltage is applied to the A/C compressor clutch and emission control unit.

The emission control unit activates the idle boost solenoid. The idle boost solenoid increases the engine idle speed with the A/C compressor clutch engaged, to compensate for the extra load of the compressor.

A/C system pressure below 28 psi indicates a loss of refrigerant or refrigerant oil. The A/C pressure cutout switch opens with system pressure below 28 psi to prevent compressor damage from loss of refrigerant.

The A/C thermostat senses evaporator temperature. With the evaporator temperature above 41 degrees F (5 degrees C), the switch closes to activate the A/C compressor clutch. With the evaporator temperature below 33 degrees F (less than 1 degree C), the A/C thermostat opens. In this way, the evaporator temperature stays above 32 degrees F (0 degrees C) and moisture on the evaporator tins will not freeze and block air flow.