Curiosii for ever!
: Car repair manuals for everyone.
Home
>>
Honda
>>
1986
>>
Prelude L4-1829cc 1800 ES,ET
>>
Repair and Diagnosis
>>
Powertrain Management
>>
Emission Control Systems
>>
Locations
>>
Control Box Two Component Locations
Control Box Two Component Locations
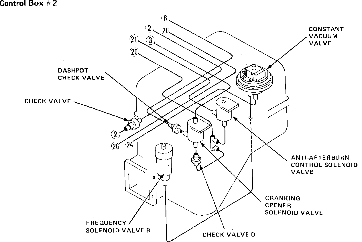
Fig. 221 Control Box #2: