Curiosii for ever!: Car repair manuals for everyone.

Torque Specifications

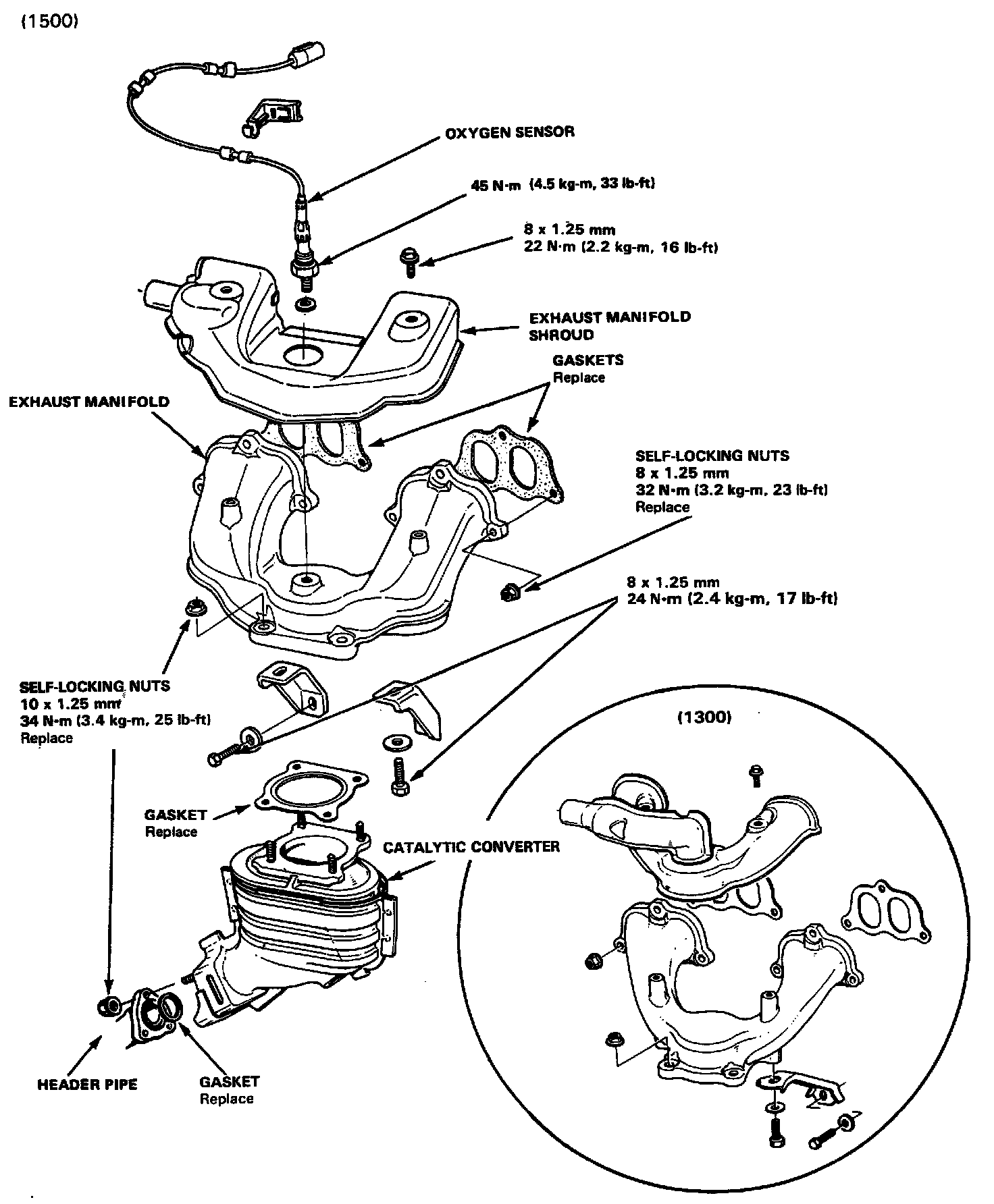
Intake Manifold And Attached Components:











Cylinder Head Assembly And Cover:






Camshaft, Rockers, Distributor And Fuel Pump:






Valves, Guides And Springs, Auxiliary Valve Components:






Rocker Arm Installation:






Valve Cover Tightening Sequence:






Cylinder Head Tightening Sequence:






Timing Belt, Components And Covers:






Crankshaft, Main Bearing Caps And Flywheel/Flex Plate:






Piston And Connecting Rod:






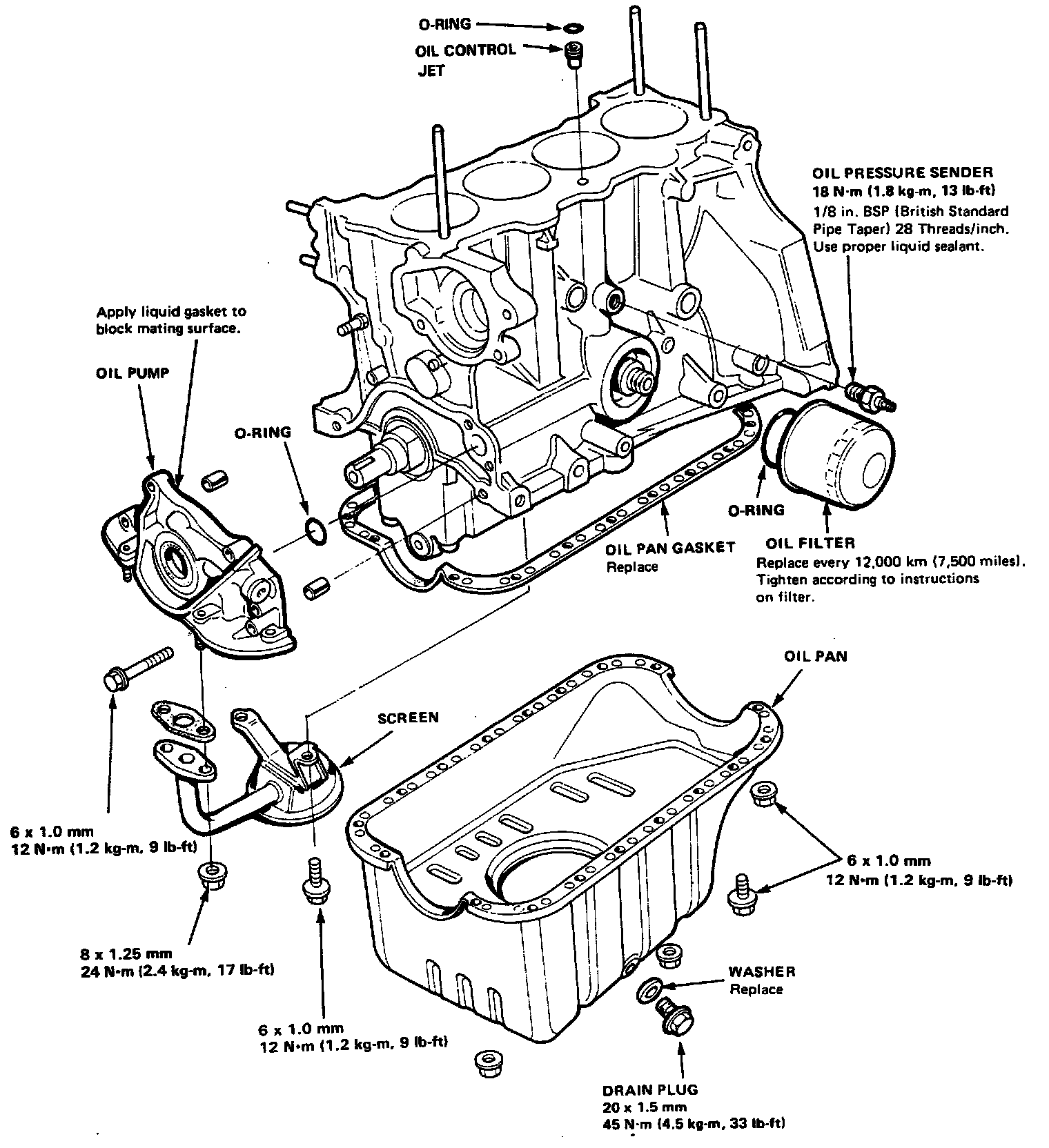
Oil Pan, Drain Plug, Oil Pressure Sender And Oil Pump:






Oil Pump Components:






Flywheel Tightening Sequence - M/T:






Flexplate Tightening Sequence - A/T: