Curiosii for ever!: Car repair manuals for everyone.

System Diagram

Mount Tightening Sequence:





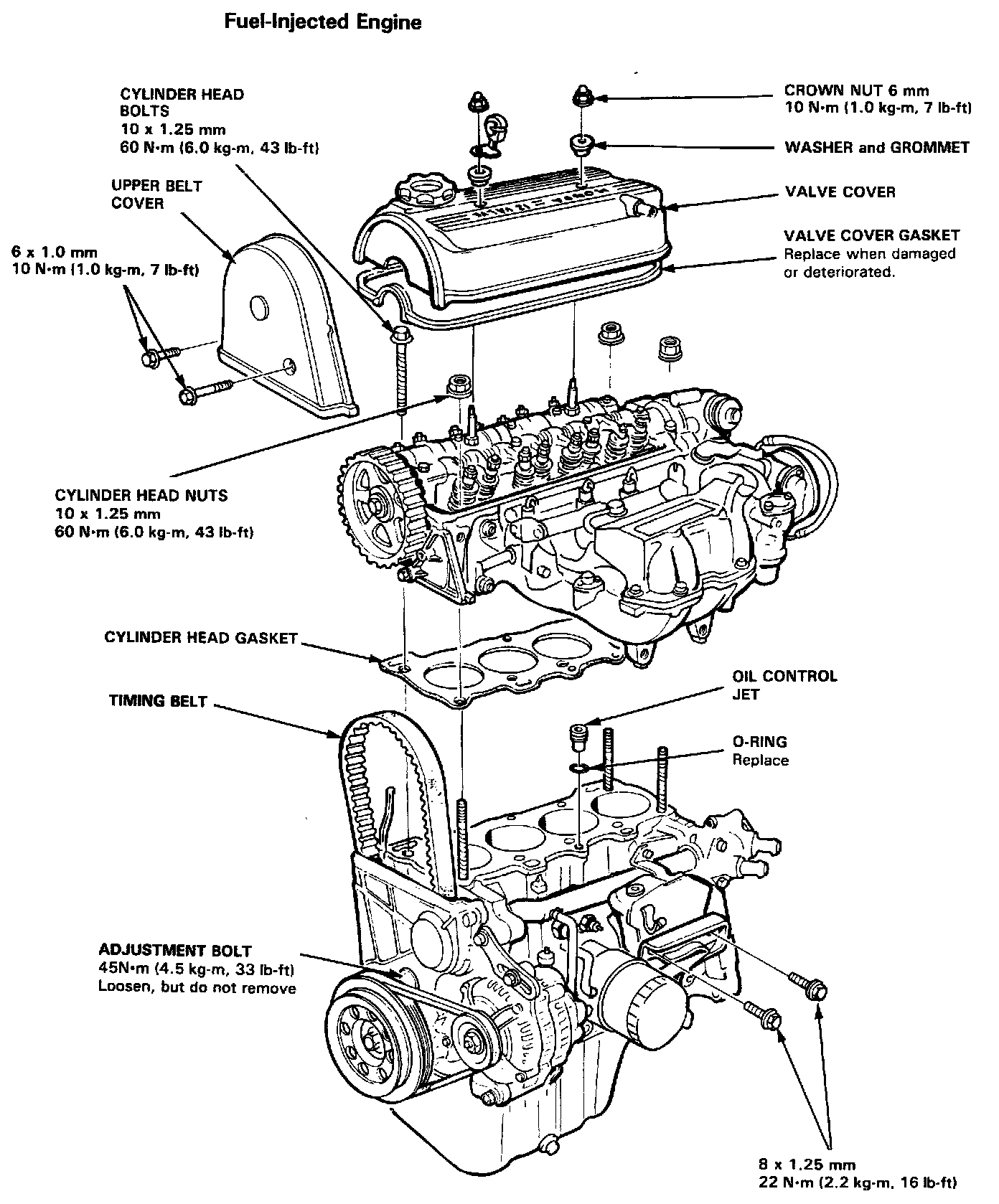
Cylinder Head Assembly (FUEL INJECTED):





Cylinder Head Assembly (CARB):





Camshaft, Rockers, Distributor And Fuel Pump:





Valves, Guides And Springs (FUEL INJECTED):





Valves, Guides And Springs (CARB):





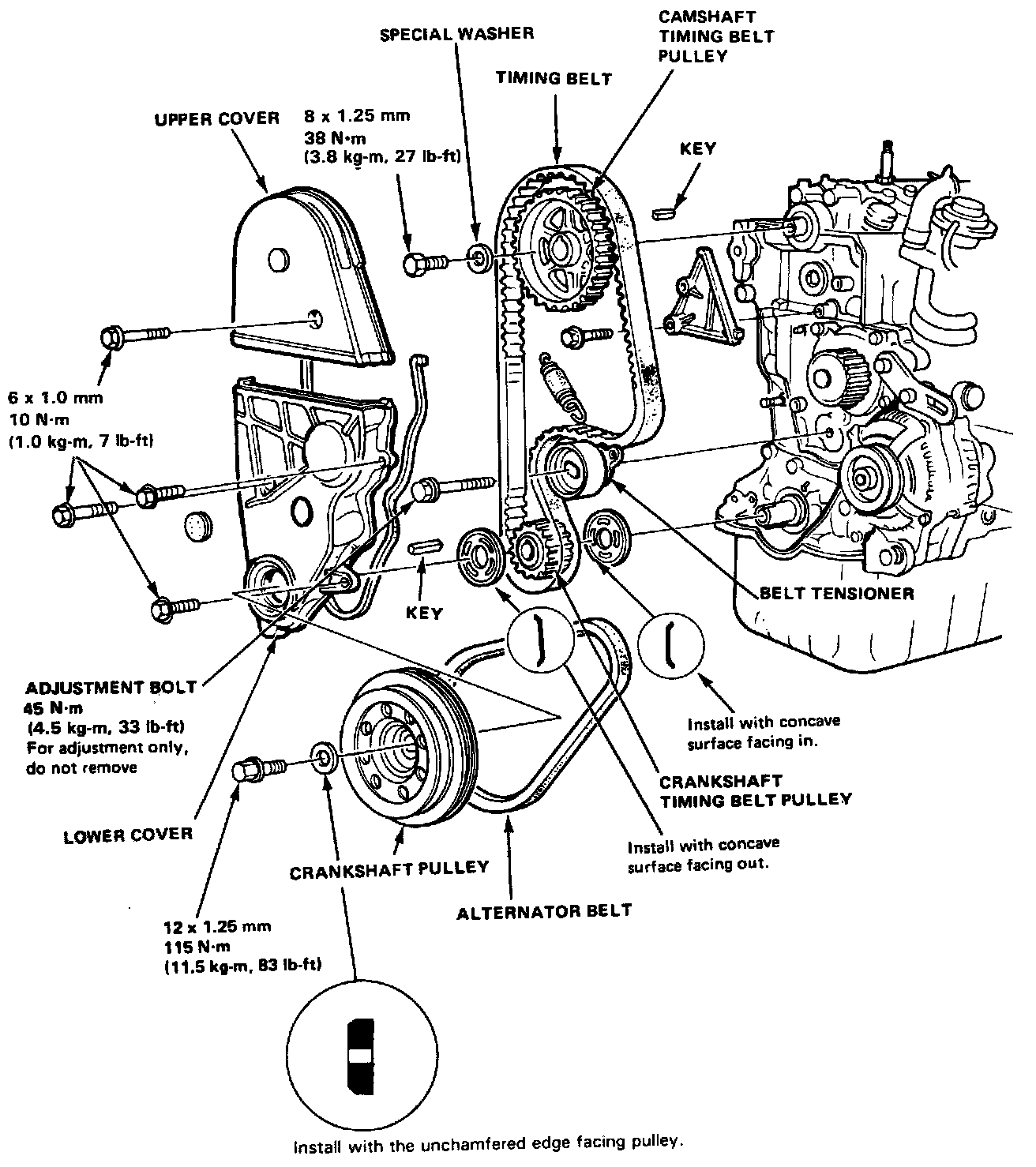
Timing Components:





Lower Engine:





Piston And Connecting Rod:





Oil Pan, Drain Plug, Oil Pressure Sender And Oil Pump:





Intake Manifold (CARB):





Intake Manifold (FUEL INJECTED):





Exhaust Manifold (CARB):





Exhaust Manifold (FUEL INJECTED):