Curiosii for ever!
: Car repair manuals for everyone.
Home
>>
Honda
>>
1985
>>
CRX L4-1488cc 1.5L EW1, EW3
>>
Repair and Diagnosis
>>
Diagrams
>>
Exploded Views
>>
Engine
>>
Cylinder Block Assembly
Cylinder Block Assembly
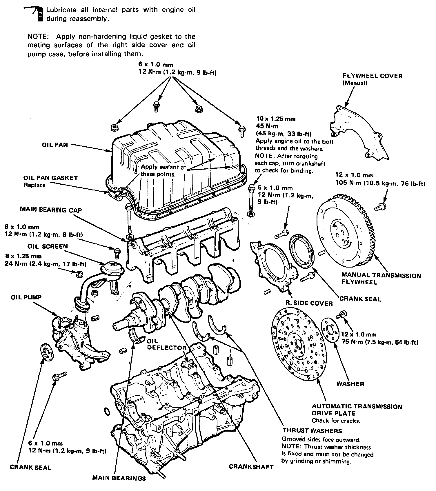
Lower Engine:
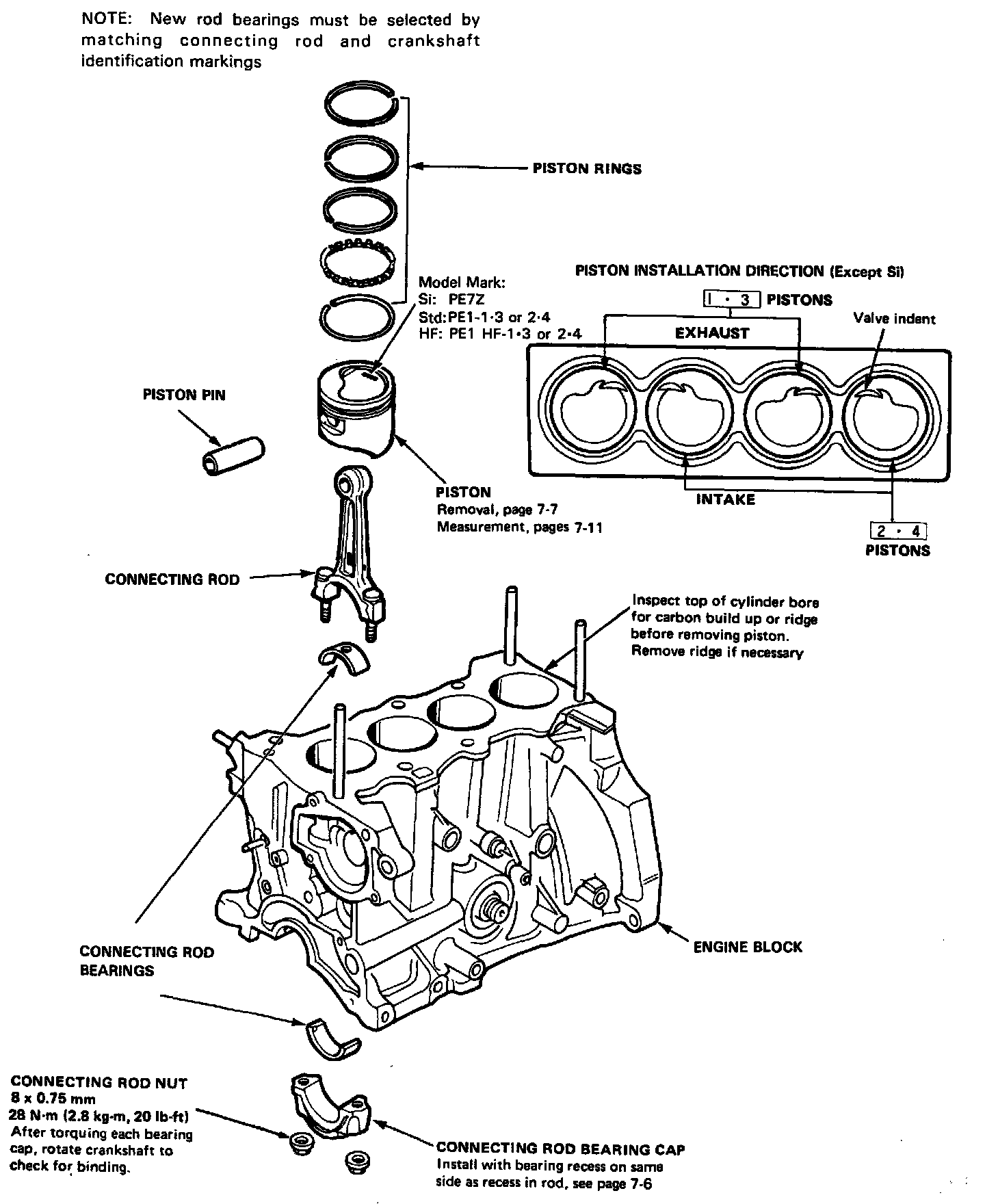
Piston And Connecting Rod:
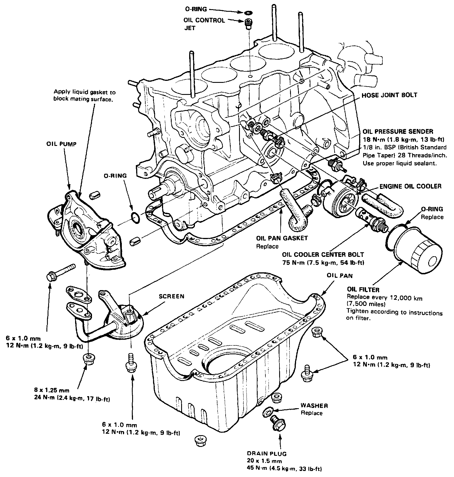
Oil Pan, Drain Plug, Oil Pressure Sender And Oil Pump: