Curiosii for ever!
: Car repair manuals for everyone.
Home
>>
Honda
>>
1984
>>
Prelude L4-1829cc 1800 ES,ET
>>
Repair and Diagnosis
>>
Powertrain Management
>>
Emission Control Systems
>>
Diagrams
>>
Control Box Reference Diagram
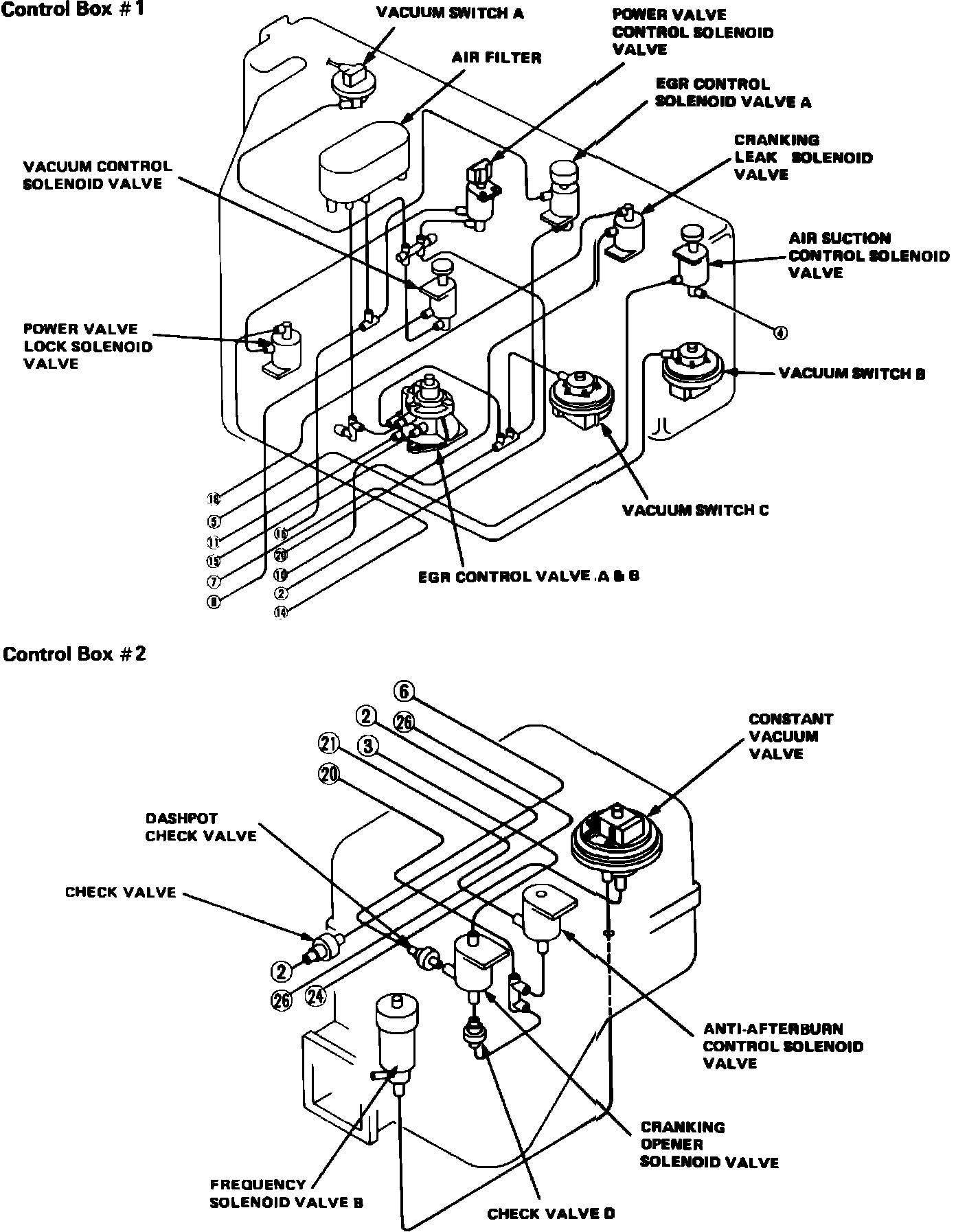
Control Box Reference Diagram
Fig. 119 Control box reference diagram.: