Curiosii for ever!
: Car repair manuals for everyone.
Home
>>
Honda
>>
1984
>>
Civic CVCC L4-1342cc 1.3L EV1
>>
Repair and Diagnosis
>>
Powertrain Management
>>
Computers and Control Systems
>>
Idle Up Control Valve
>>
Locations
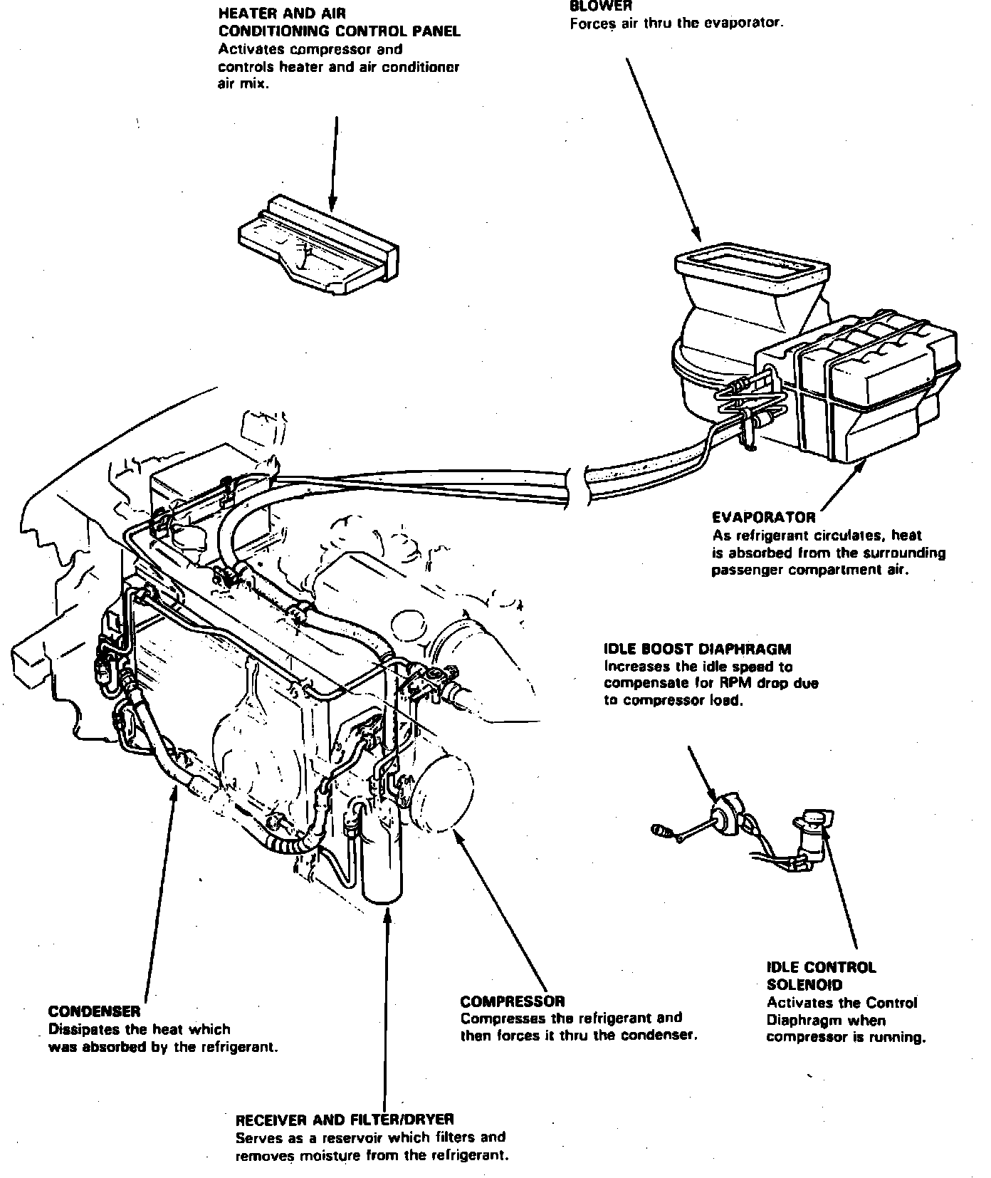
Idle Up Control Valve: Locations
A/C System Components.:
In Air Cleaner Housing
Applicable to: 1984-86