Curiosii for ever!: Car repair manuals for everyone.

Torque Specifications

Intake Manifold And Attached Components:






Exhaust Manifold And Attached Components:






Cylinder Head Assembly And Cover:






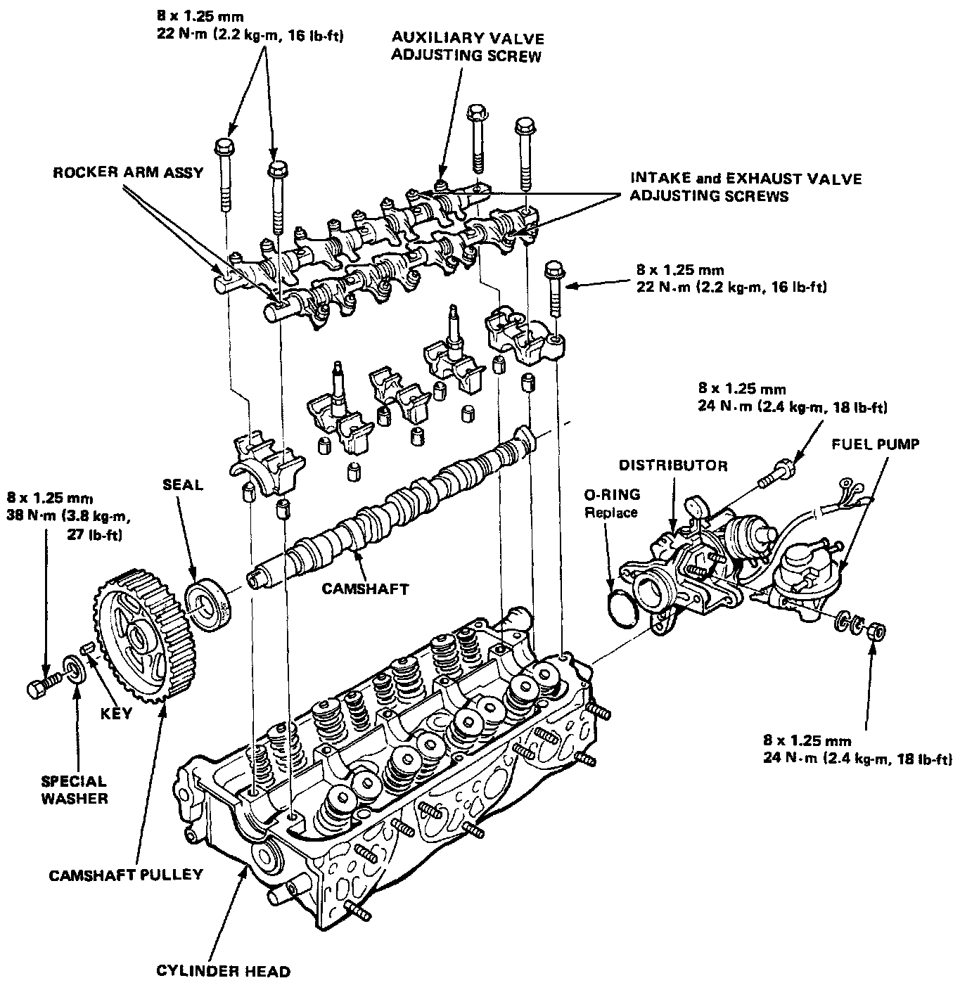
Camshaft, Rockers, Distributor And Fuel Pump:






Valves, Guides And Springs, Auxiliary Valve Components:






Rocker Arm Installation:






Cylinder Head Tightening Sequence:






Cylinder Head Cover Tightening Sequence:






Timing Belt, Components And Covers:






Crankshaft, Main Bearing Caps And Flywheel/Flex Plate:






Piston And Connecting Rod:






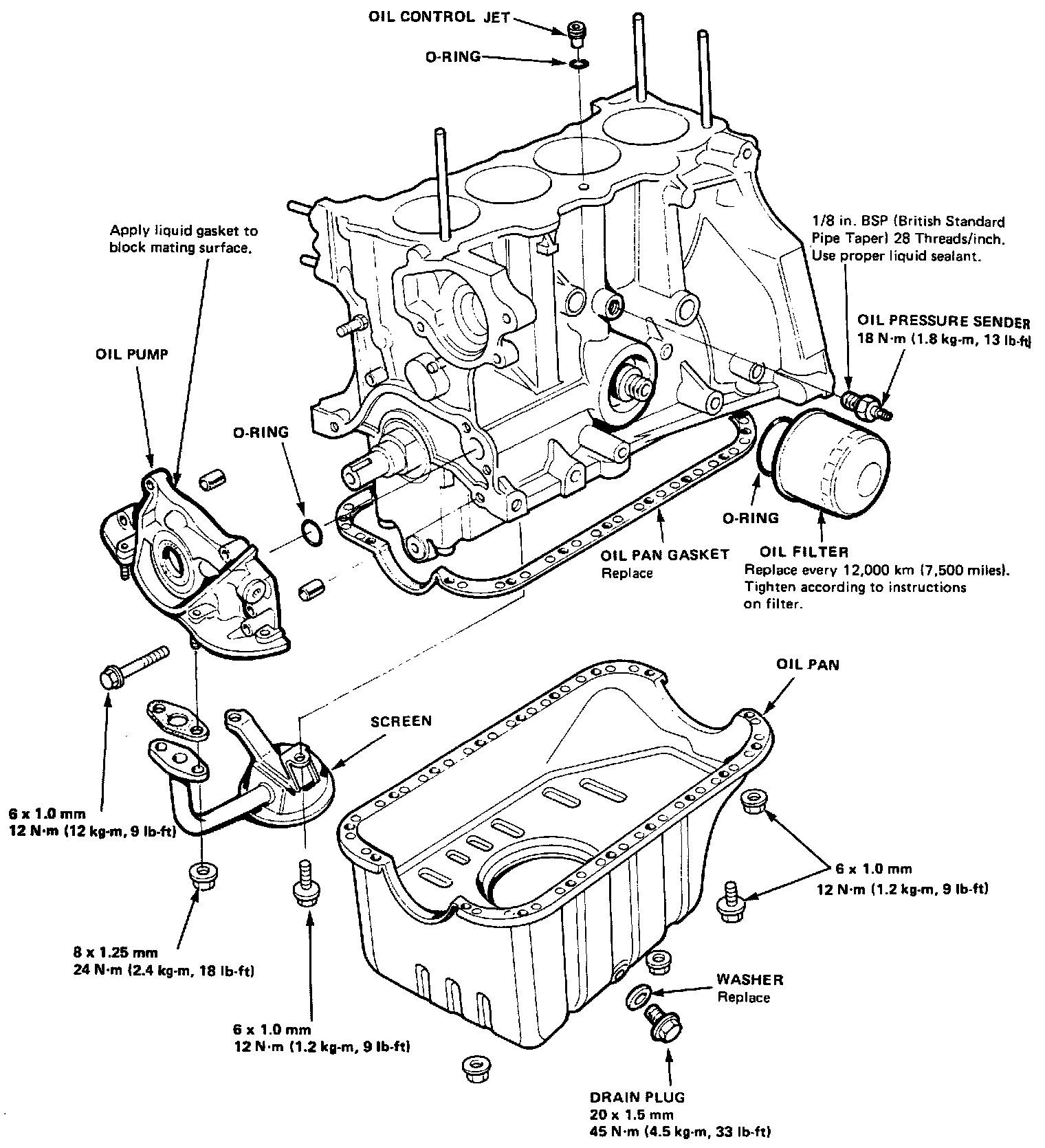
Lubrication System Components:






Oil Pump Components:






Drive Plate (A/T) Torque:






Flywheel Tightening Sequence - M/T: