Curiosii for ever!
: Car repair manuals for everyone.
Home
>>
Honda
>>
1984
>>
Accord L4-1829cc 1800 ES,ET
>>
Repair and Diagnosis
>>
Powertrain Management
>>
Emission Control Systems
>>
Locations
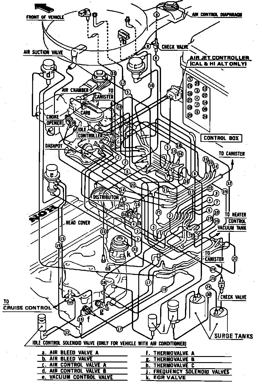
Emission Control Systems: Locations
Vacuum Components & Connections (Part 1 Of 2).:
Vacuum Components & Connections (Part 1 Of 2).:
Engine Compartment
Applicable to: 1984