Curiosii for ever!: Car repair manuals for everyone.

System Diagram

Engine Removal And Installation:





Cylinder Head And Valve Cover:





Camshaft, Rocker Arm Assy, Distributor And Thermostat Housing:





Valves, Springs And Keepers:





Intake And Exhaust Manifolds:





Exhaust Manifold Bracket:





Camshaft Pulley:





Timing Components:





Lower Engine:





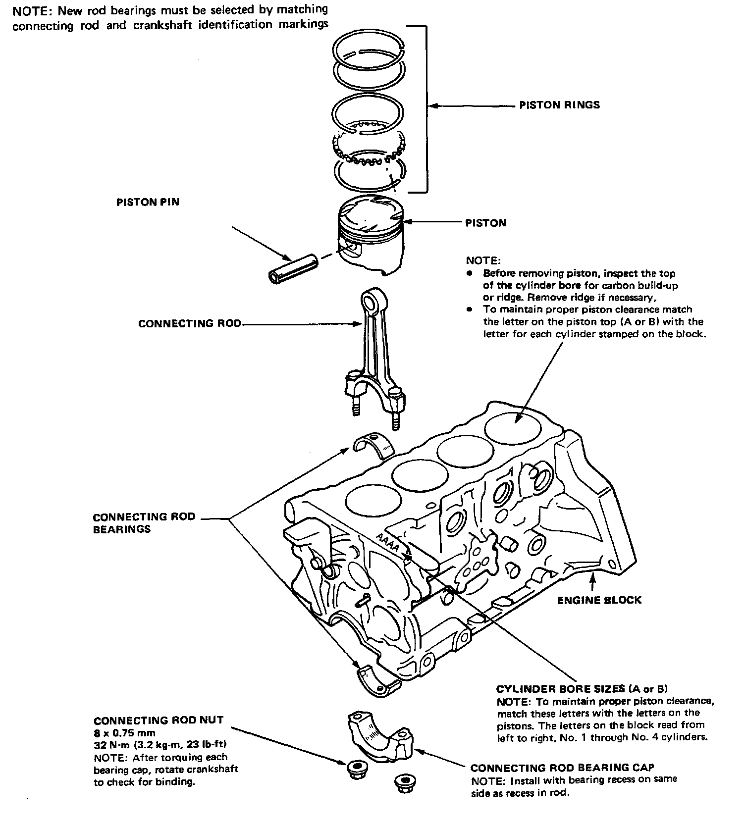
Piston And Connecting Rod:





Water Pump, Oil Pan, Drain Plug, O/F Base And Oil Pressure Sender:





Water Pump Components:





Intake Manifold, Air Valve, EGR Valve, Thermo Valves And Temp. Sender:





Exhaust Manifold, Brackets And Tubes, O2 Sensor: