Curiosii for ever!
: Car repair manuals for everyone.
Home
>>
Honda
>>
1983
>>
Civic CVCC L4-1488cc 1500 EM1
>>
Repair and Diagnosis
>>
Specifications
>>
Mechanical Specifications
>>
Engine
>>
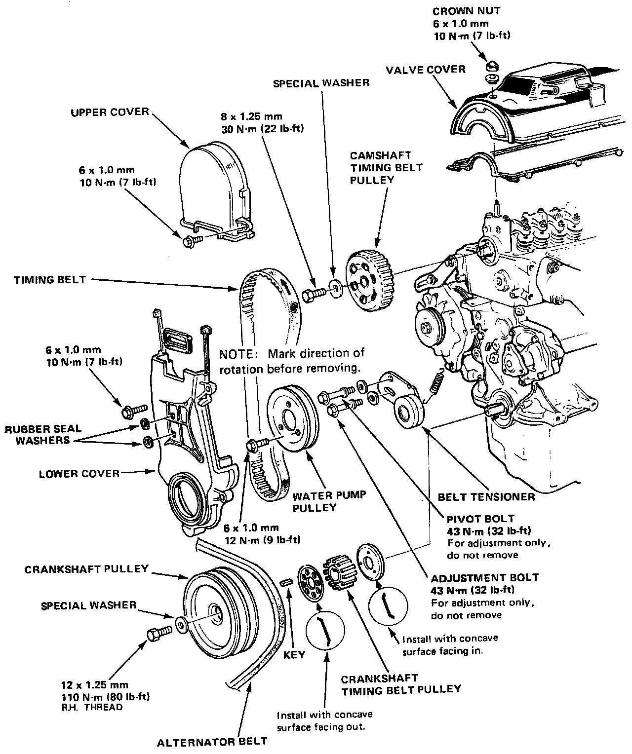
Timing Components
Timing Components
Timing Belt, Components And Covers: