Curiosii for ever!
: Car repair manuals for everyone.
Home
>>
Honda
>>
1983
>>
Civic CVCC L4-1488cc 1500 EM1
>>
Repair and Diagnosis
>>
Diagrams
>>
Exploded Views
>>
Engine
>>
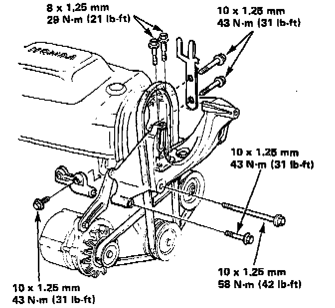
Engine Accessory Bracket
Engine Accessory Bracket
Compressor Bracket: