Curiosii for ever!
: Car repair manuals for everyone.
Home
>>
Honda Truck
>>
2012
>>
Ridgeline V6-3.5L
>>
Repair and Diagnosis
>>
Powertrain Management
>>
Computers and Control Systems
>>
Variable Valve Timing Solenoid
>>
Locations
>>
Component Locations
>>
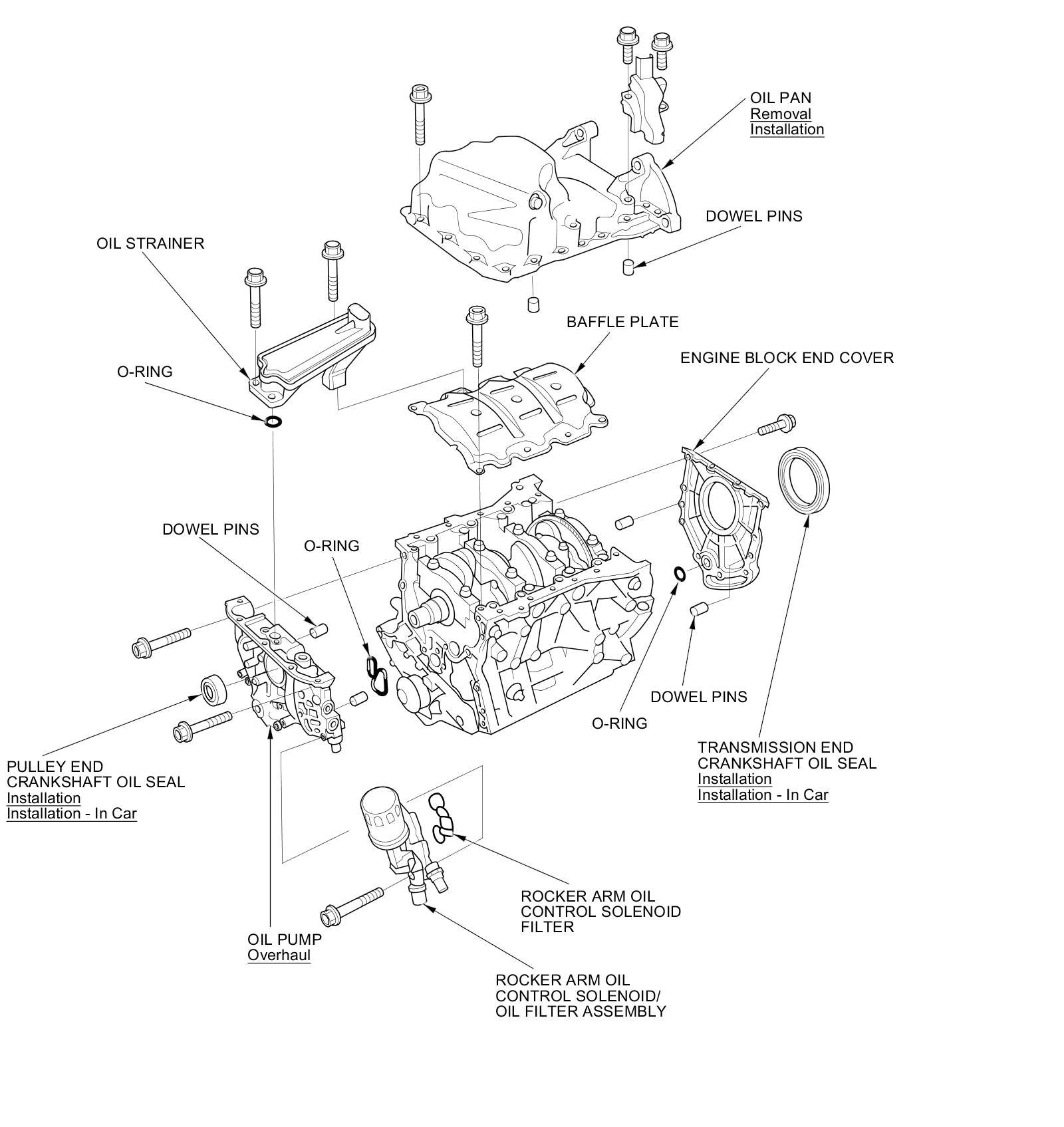
Engine Block Assembly Component Location Index
Engine Block Assembly Component Location Index
Engine Block Assembly Component Location Index