Curiosii for ever!: Car repair manuals for everyone.

Fuel And Emissions System Description - EVAP Control System




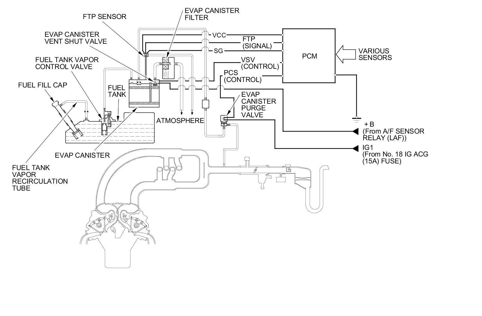
Fuel and Emissions System Description - EVAP Control System

Evaporative Emission (EVAP) Control System

Refer to the system diagram to see a functional layout of the system.

EVAP Canister

The EVAP canister temporarily stores fuel vapor from the fuel tank until it can be purged from the EVAP canister into the engine and burned.

EVAP Canister Purge Valve

When the engine coolant temperature is below 140°F (60°C) the PCM turns off the EVAP canister purge valve which cuts purging of the EVAP canister.






Fuel Tank Pressure (FTP) Sensor

The FTP sensor converts fuel tank absolute pressure into an electrical input to the PCM.






EVAP Canister Vent Shut Valve

The EVAP canister vent shut valve is on the EVAP canister.
The EVAP canister vent shut valve controls the venting of the EVAP canister.






Evaporative Emission (EVAP) Control Diagram

The EVAP controls minimize the amount of fuel vapor escaping to the atmosphere. Vapor from the fuel tank is temporarily stored in the EVAP canister until it can be purged from the canister into the engine and burned.

- The EVAP canister is purged by drawing fresh air through it and into a port on the intake manifold. The purging vacuum is controlled by the EVAP canister purge valve, which operates whenever the engine coolant temperature is above 140 °F (60 °C).
- During refueling, the fuel tank vapor control valve opens from pressure in the fuel tank and feeds the fuel vapor to the EVAP canister.





Fuel Cap Warning Message

The PCM detects a loose or missing fuel fill cap as an evaporative system leak and alerts the driver by showing a warning message in the gauge display.
The first time a leak is detected, a TIGHTEN FUEL CAP message appears on the multi-information display (MID) (A). To scroll to another message, press the select/reset button. The TIGHTEN FUEL CAP message appears each time you restart the engine until the system turns the message off. Turn the engine off, then replace or tighten the fuel fill cap until it clicks at least once.






How to clear the message with the HDS

Procedure

- Tighten the fuel fill cap until it clicks.

- Clear the Pending DTC with the HDS.

- Verify there is no leak by doing an EVAP FUNCTION TEST in the INSPECTION MENU with the HDS.

How to clear the message without the HDS

Procedure

- Tighten the fuel fill cap until it clicks.

- Start the engine, then turn the ignition switch to LOCK (0).

- Repeat step 2 two more times.