Curiosii for ever!
: Car repair manuals for everyone.
Home
>>
Honda Truck
>>
2012
>>
Pilot 2WD V6-3.5L
>>
Repair and Diagnosis
>>
Relays and Modules
>>
Relays and Modules - Lighting and Horns
>>
Interior Lighting Module
>>
Diagrams
>>
Diagram Information and Instructions
>>
How To Read Schematics
>>
Ground Distribution Schematics
Ground Distribution Schematics
Ground Distribution Schematics
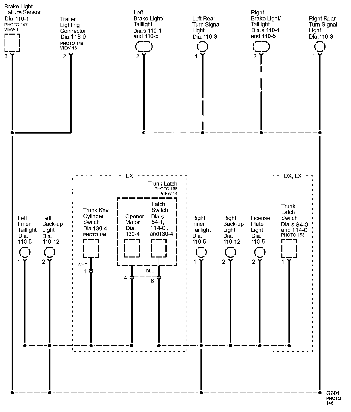
This sample Ground Distribution schematic shows all of the components that share the same ground point.